Part Number: TCA9617A
Other Parts Discussed in Thread: TCA9617B, , TCA9517A
Hello Team,
There are some questions from my cusotmer, please help to give your comments, thanks.
1. What's the difference between TCA9617A and TCA9617B?
2. Why we need to make sure Vcca <Vccb? can you help to give more detail explanation?
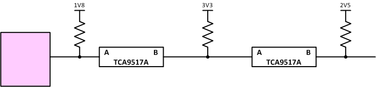
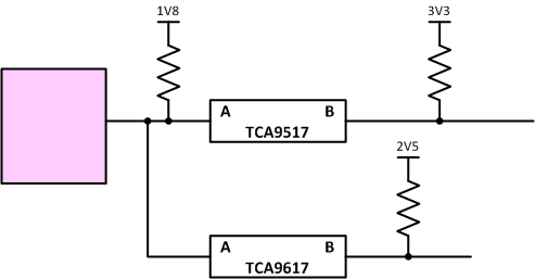
3. Below is my customer's application, you can focus on TCA9617 application, VCCA > VCCB. They also use TCA9617A and TCA9617B to do the same test, for TCA9617A, the waveform is abnormal and the communication also have some error, but for TCA9617B, the waveform looks good and the communication is also good. You can check the waveform below. Do you think the wavefroms for TCA9617A and TCA9617B are reasonable? From customer's test, it seems that this application can work, what's your comments about the application for TCA9617B?
Regards,
Nanfang.





