Part Number: TUSB321AI
Other Parts Discussed in Thread: HD3SS3212, TUSB321
Hi Team,
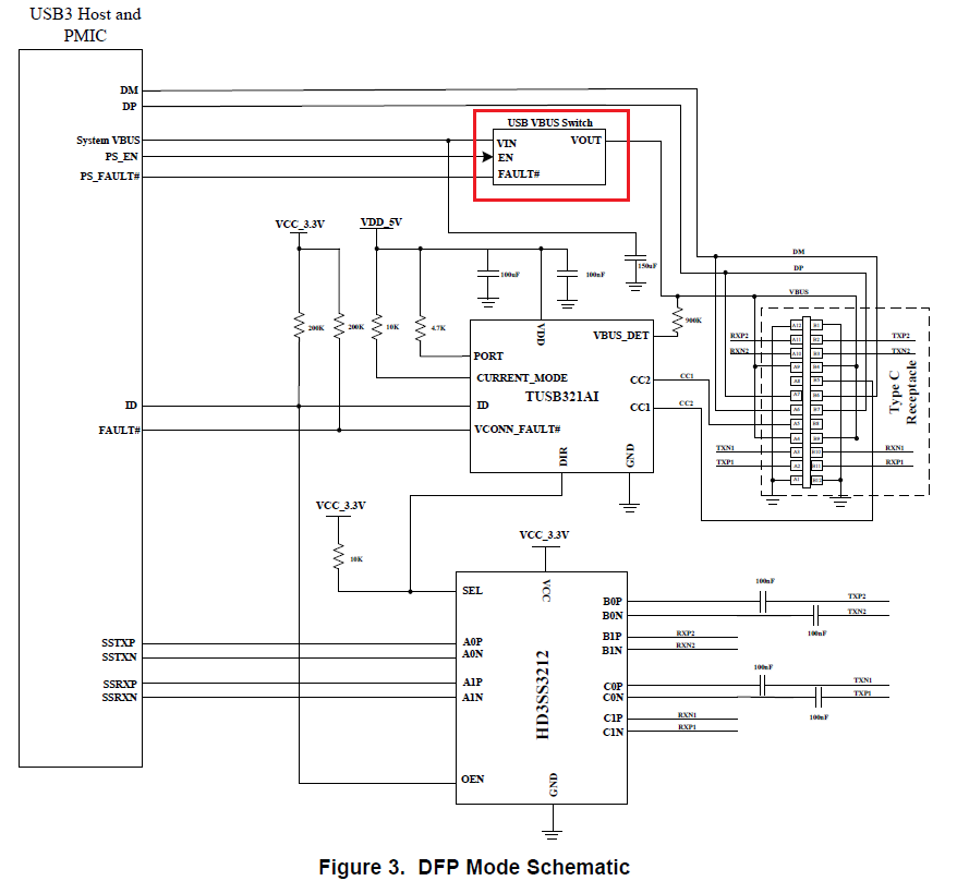
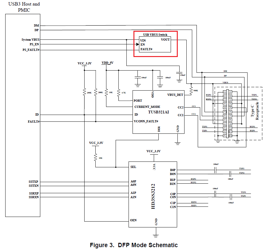
My customer considers to use TUSB321AI + HD3SS3212 for UFP application.
Although the following schematic is for DFP application, is VBUS switch required for UFP application?
If the answer is yes, I would like to know how to control EN pin of VBUS switch for UFP application.
My customer wants to know it.
Best Regards,
Yaita / Japan disty
