This thread has been locked.

If you have a related question, please click the "Ask a related question" button in the top right corner. The newly created question will be automatically linked to this question.

DP83849I: LED_LINK intermittent reversed polarity

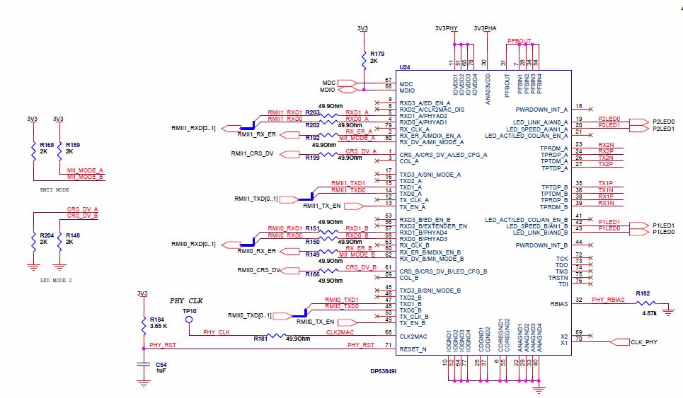
Part Number: DP83849I


The part works fine except one issue.

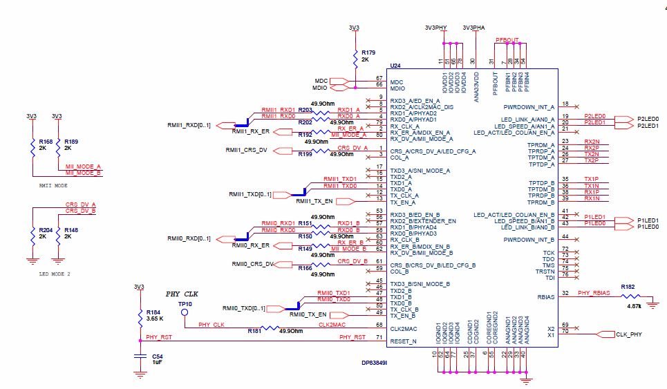
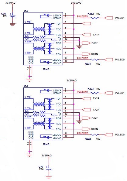
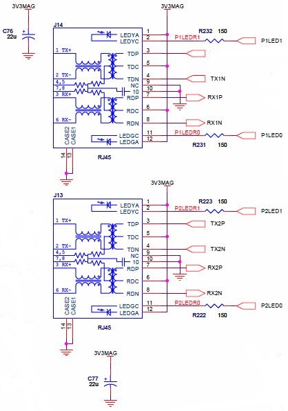
LED_LINK_A/AN0_A and LED_LINK_B/AN0_B once in a while detect wrong polarity and would be OFF when the LINK is established and shortly blink ON on activity. When the cable is disconnected the LED would be ON. With s/w or h/w reset or power cycle it usually is back to normal. 

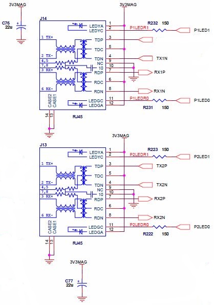
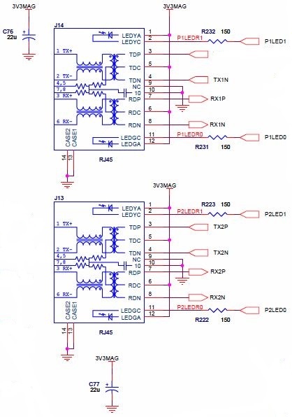
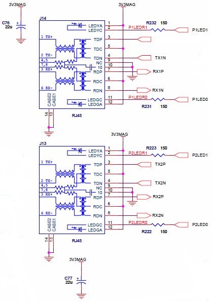
The pins are connected to LED, 150 Ohm Resistor to VCC 3.3VDC. Datasheet shows 165 Ohm but 150  should be even better for the right polarity detection.

Any suggestions?

Thank you