Hello TI,
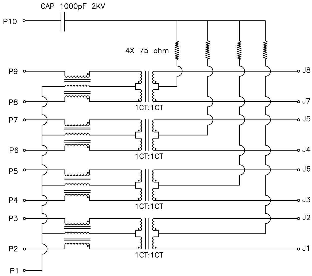
snla246a states that: "Each center tap of the magnetics should be independently de-coupled to ground via a 0.1uF capacitor". However, RJ45 connectors with integrated magnetics almost always connect the centre-taps of the integrated cores together, either directly:
or more indirectly:
and make this connection available on a single pin.
Questions:
1. Are these RJ45 connectors with integrated magnetics still useable (contrary to the first statement above), or is operation of the DP83867IS using RJ45 connectors with integrated magnetics not possible?
2. Should operation with integrated magnetics be possible, which of the two configurations above is preferred?

