Hi, team,
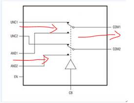
My customer requests one 2->1 differential switch device for 480Mbps signal. I recommended TS3USB221.
In datasheet, all delay parameter is based on 1->2 switch application, how about the delay time for 2->1 switch application?
Thanks.
Johnny


