Hi,
We have one question that if we can use Port2/ Port3 when NP3 is Hi/ NPINT0 & NPINT1 are Lo.
Now Port 3 is not workable.
Please kindly provide your suggestion for reference.
Thanks.
Best Regards,
This thread has been locked.
If you have a related question, please click the "Ask a related question" button in the top right corner. The newly created question will be automatically linked to this question.
Hi,
We have one question that if we can use Port2/ Port3 when NP3 is Hi/ NPINT0 & NPINT1 are Lo.
Now Port 3 is not workable.
Please kindly provide your suggestion for reference.
Thanks.
Best Regards,
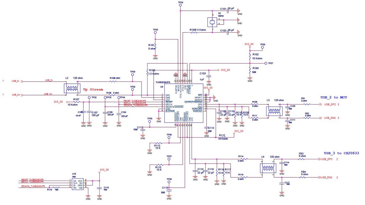
Hello Eric,
When NP3 is high the TUSB2036 is configured as a 2-port hub and it disables its downstream port number 3.
Therefore, if they want to use only the ports 2 and 3 they will need to configure the hub as a 3-port-hub by connecting the NP3 terminal low.
Attached is a reference schematics configured for 2 ports.
6Mhz Bus-powered 2-port hub.pdf
Regards