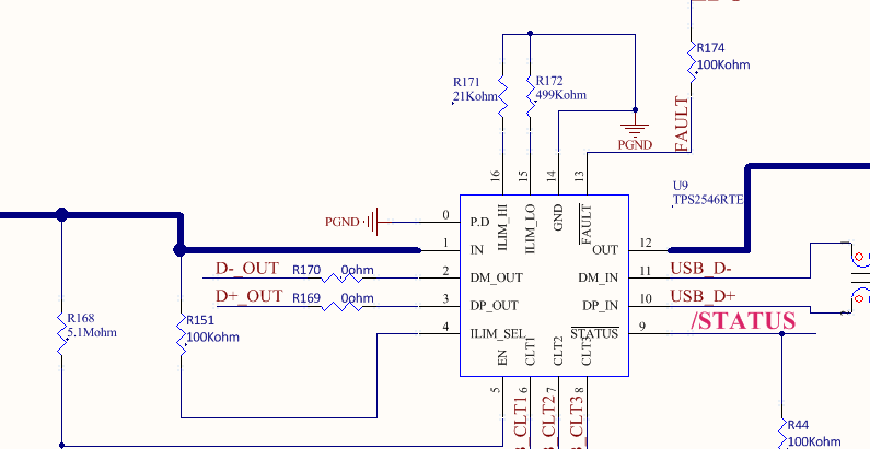
Hi Team,
my customer is making power banks for OEM
they've been testing the TPS2546, configuration of current limit is at 2A
it observed that
@25 degC
2A discharge no problem
@ 5 degC
2A discharge trigger current limit protection (seem to limit at 1A)
we want to check that is there other protection that triggered with the low temp?
any comments are appreciated
