This thread has been locked.

If you have a related question, please click the "Ask a related question" button in the top right corner. The newly created question will be automatically linked to this question.

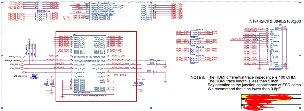
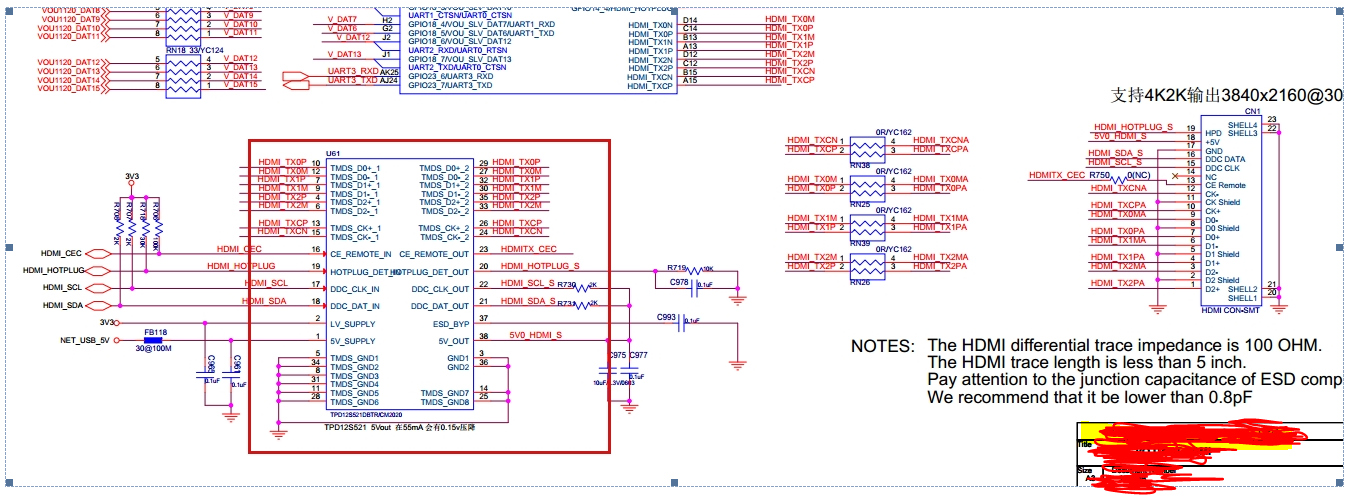
TPD12S521: HDMI broken which differential lines shorted to ground but ESD IC still good.

Part Number: TPD12S521


Hi Bros,

My customer is using our HDMI ESD. Recently, they found 20 in 500 products' HDMI port broken in field application. During testing, the differential lines shorted to ground, but strange is that our ESD IC still good. Seems ESD protection IC doesn't protect our HDMI? Below is the sch. Do you have any suggestions for the reason or sch comments?