Other Parts Discussed in Thread: P82B96, TCA9509
Hello,
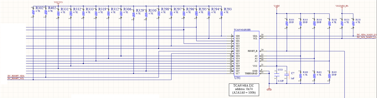
The figures below present a partial view of the schematics I am working on:
The TCA9803 provides an isolation between two external I2C devices that are at the two ends of a coaxial cable (one close and other far from the buffer). The coaxial cable is ~2.3m (8ft) long and its capacitance is around 250pF, thus the need to provide some isolation from the internal I2C network. The port A of the TCA9803 is connected to the TCA9548. The port B is connected to the cable through a connector.
My questions:
1- Is the connection between TCA9803 and TCA9548 OK?
2- Is it OK to connect the port B the way I did? As there is a cable involved, I am worried with reflections or ringing. Is the limited slew-rate of port B enough to avoid these problems? If not, is there a way to add AC terminators that would not break port B operation and still solve the reflection problem?
3- Are the ferrites beads OK in this application?
4- Maybe off-topic but, are the protection diodes suitable for this application?
Thank you in advance for your support.
Elder.



