Part Number: TUSB211
Hi Team,
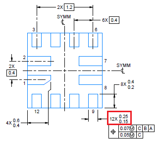
The following red part dimension of TUSB211 shows ~0.25mm in current datasheet. 
On the other hand, "Layout example" and "Land Pattern example" shows the line width is 0.2mm.
Is it no ploblem to follow these examples?

I believe the line width=0.2mm is recommended as "Layout example" and "Land Pattern example" refered however would like to confirm just in case.
Best Regards,
Yaita / Japan disty