Part Number: DS90UB921-Q1
Hi,
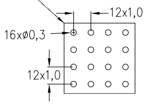
Layout example is shown in the page 48 of the datasheet.
Do you have the recommended via size?
Best Regards,
Kuramochi
This thread has been locked.
If you have a related question, please click the "Ask a related question" button in the top right corner. The newly created question will be automatically linked to this question.
Part Number: DS90UB921-Q1
Hi,
Layout example is shown in the page 48 of the datasheet.
Do you have the recommended via size?
Best Regards,
Kuramochi
Hamzeh-san,
Thank you for your quick answer!
Which document did you refer?
I couldn't find it...
Best Regards,
Kuramochi