This thread has been locked.

If you have a related question, please click the "Ask a related question" button in the top right corner. The newly created question will be automatically linked to this question.

TCA9617A: 1V voltage issue

Part Number: TCA9617A
Other Parts Discussed in Thread: TCA9617B, TCA9509, , TCA9517

Hello,

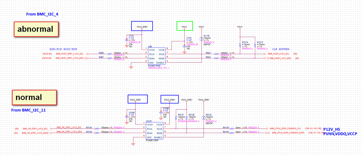
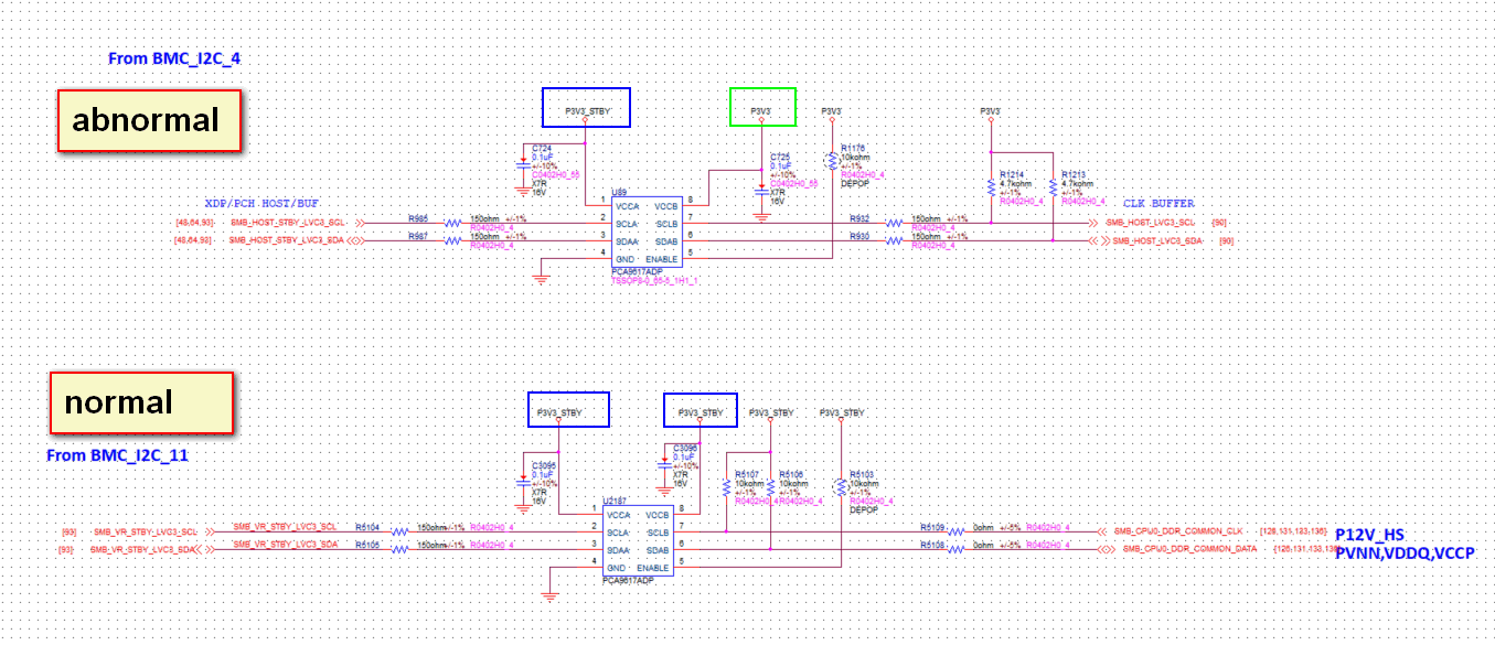
                    Below is customer schematics. While B side VCCB (P3V3) power down to 0V, A side supply of P3V3_STBY keep 3.3V, SDA/SCL of A side are 1V voltage not 0V even ENABLE pin pull low. But other vendor solution has no this 1V voltage of SDA/SCL. Could I know what is the issue root cause for it? Thank you. 

BR

Patrick

  • Hey Patrick,

    "While B side VCCB (P3V3) power down to 0V, A side supply of P3V3_STBY keep 3.3"

    -Unfortunately our device does not support VccA being larger than VccB otherwise unexpected behavior could occur.

    "SDA/SCL of A side are 1V voltage not 0V even ENABLE pin pull low"

    -I believe there is some history with the A revision of this device which sometimes does not properly disable the drivers when the EN is low. The B revision: TCA9617B is supposed to address this.

    May I ask what you are using the TCA9617A for? I am curious if you need 1MHz frequency or if 400kHz is enough, as I know of some of our 400kHz devices which work better in your application where VccB is 0V while VccA is powered. TCA9509 for example will disable the drivers if VccB is less than 2.5V or VccA is below 0.8V. TCA9509 also does not use a pull up resistor on A side which could save you a component and some space and is pin to pin with TCA9617A.

    TCA9617 also does not support VccA=VccB but TCA9509 does. TCA9517 is also another device you consider.

    Thanks,

    -Bobby