Dear Sir/Madam,
We need to protect 2,3 or 4 lines in our product, can I use TVS3300 in this configuration?
I am currently using Protek TVS diode (4-in1 package)_CSP0404, to protect 4 lines.
Best regards,
KPK
This thread has been locked.
If you have a related question, please click the "Ask a related question" button in the top right corner. The newly created question will be automatically linked to this question.
Dear Sir/Madam,
We need to protect 2,3 or 4 lines in our product, can I use TVS3300 in this configuration?
I am currently using Protek TVS diode (4-in1 package)_CSP0404, to protect 4 lines.
Best regards,
KPK
KPK-
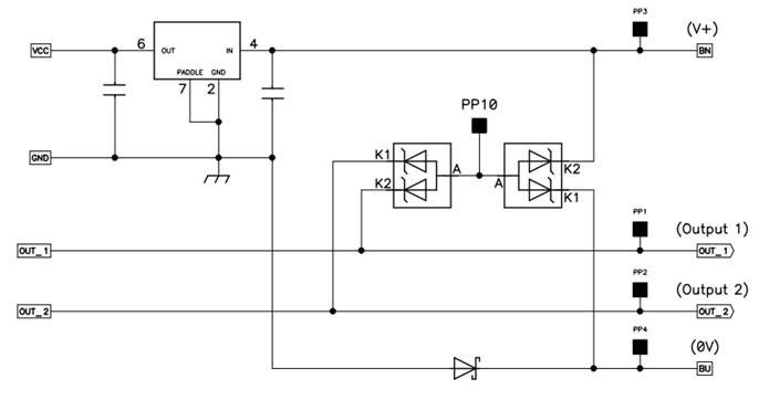
I can't seem to find anything online called the CSP0404, can you link me to the device datasheet? As for the configuration, I'm not clear on the exact question as it looks like you are asking if the TVS3300 can be used in a multichannel configuration, while the TVS3300 is a single channel device. However, the 4 wire scenario you are showing there is a very common consideration and we recommend the TVS3300 being used as shown below:
n this way, bidirectional protection is provided for all 4 wires. Does that help? Please let me know if you have any other questions.
Thanks,
Alec