This thread has been locked.

If you have a related question, please click the "Ask a related question" button in the top right corner. The newly created question will be automatically linked to this question.

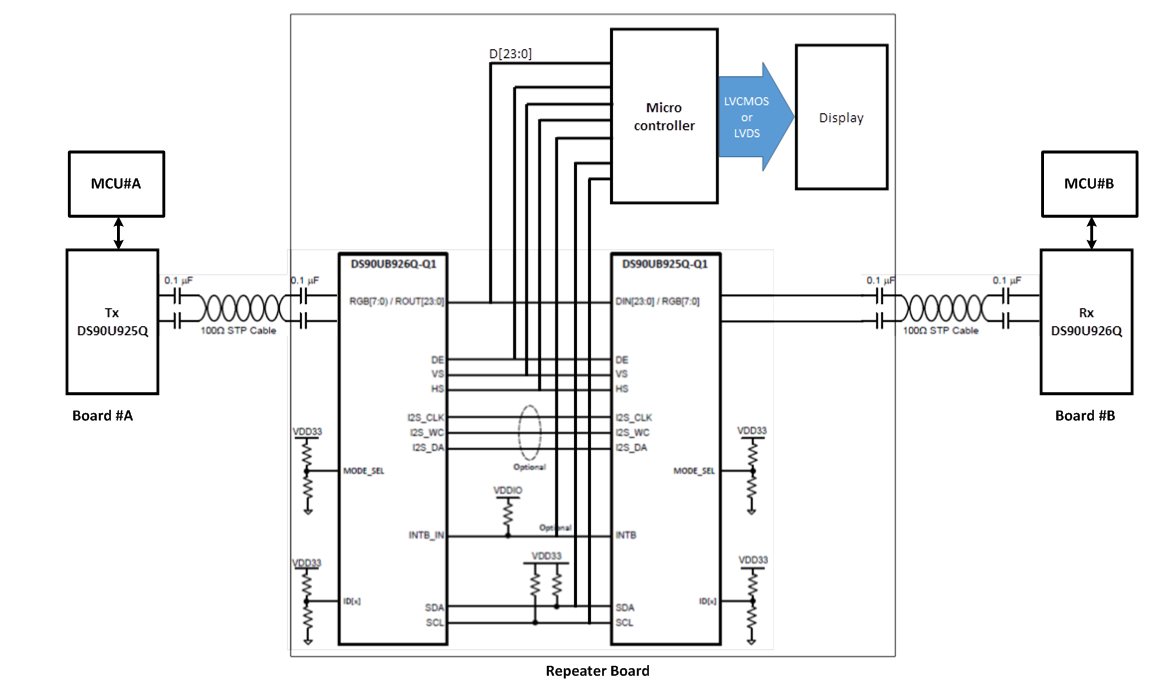
DS90UB926Q-Q1: Pass through under repeater configuration

Part Number: DS90UB926Q-Q1

Hi Champs,

My customer is investigating repeater system shown as below.

Q.1) Is it possible for MCU #B to access register of DS90U925Q of Board #A, and for MCU #A to access DS90U926 of Board #B by using pass-through feature?

Q.2) Is it possible for MCU in Repeater board to access registers of DS90U925 of Board #A?

Q.3) Is it possible to build a system satisfying both Q.1 and Q.2 simultaneously?

 

Best regards,

Nobuo Fujihara