Part Number: TUSB9261
Other Parts Discussed in Thread: TUSB9260
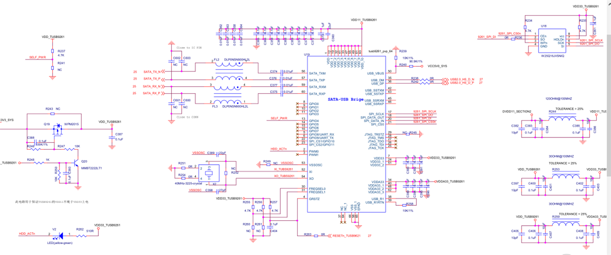
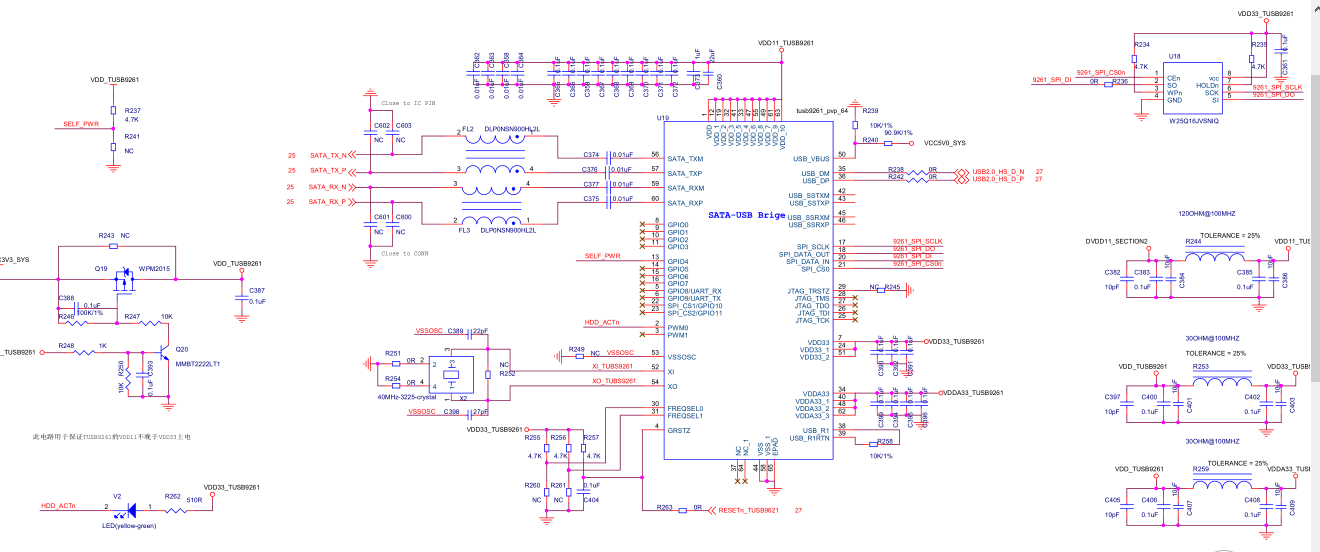
Hi,could you help provide the way how to change the Communication frequency to 1.5Gor 3G ?From the datasheet we cannot find it,because now we meet above question and we want to change the Communication frequency to See whether it helps for debug ti,tks!
(1). quetions:After the SATA chip communicates with the SSD hard disk, there is a lot of spectrum spurious radiation, and some of the spurs will fall within the 2.4G-WiFi frequency band, affecting the sensitivity of wireless reception.
(2).Consultation content:
1. Can I change the communication frequency between the SATA chip and the SSD so that the harmonic spurs avoid the 2.4G band?
2. Can reduce the amplitude of both communication signals to reduce the spurious amplitude?

