This thread has been locked.

If you have a related question, please click the "Ask a related question" button in the top right corner. The newly created question will be automatically linked to this question.

TUSB215: Abnormal USB host operation between TUSB215 and particular smart-phone model such as Nexus 5X

Part Number: TUSB215

Hi E2E team.

This is Jonathan from Avnet.

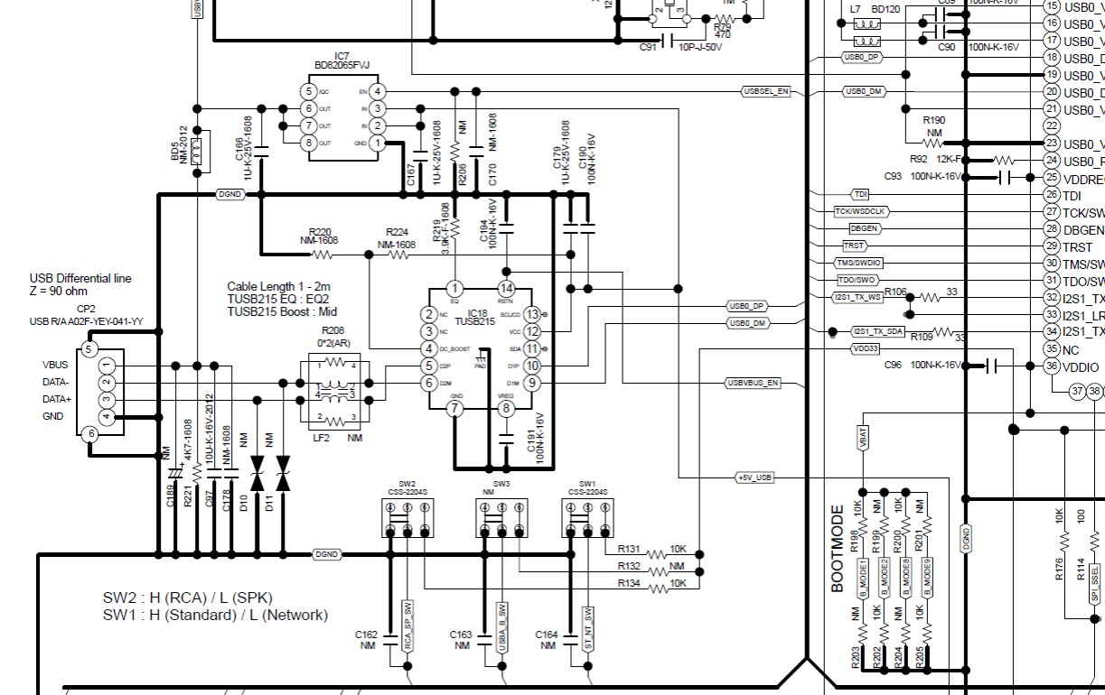
One of our customers, applied TUSB215 to CAR-Amp system in order to compensate for signal loss in a transmission channel.

Nowadays, they are working on USB Device/Host interoperability test with different kinds of smart-phone such as Apple & Android.

There have been fewer problems with most of the smart-phone model regardless of Device/Host mode.

But it doesn't work with particular smart-phone model such as “Nexus 5X” when smart-phone is set to Host mode for USB interface.

The results so far show that the problem occurs when LPC1825(Application Processor) is set to USB-Device mode and “Nexus 5X” is set to USB-Host mode.

In case of abnormal operation, TUSB215 VREG port is toggling high and low over and over.  

Please review test environment and USB & VREG wave-form below, and then let me know the cause of trouble.

Thanks. 

1. Test environment.

2. Application schematic.

3. Abnormal & Normal USB Signal Waveform (VBUS, USB D+, UDB D-, VREG)

- Abnormal Case with Nexus 5X

- Normal Case other smart-phone except Nexus 5X