This thread has been locked.

If you have a related question, please click the "Ask a related question" button in the top right corner. The newly created question will be automatically linked to this question.

DP83TC811EVM: DP83TC811EVM

Part Number: DP83TC811EVM


Does this board uses a micro to configure the phys or the back to back connection works right away? Will there be a need for a software?

  • Hi klajdi,

    The back to back connection works right away based on strapping of the 811 and the 822.

    There is a controller on board that allows configuration to be applied to the 811 or 822 depending on the testing needed.

    What are you planning to do with the EVM, and perhaps I can help you further with what you will need to do.

    Best Regards,
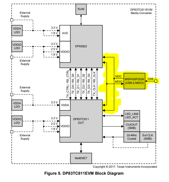
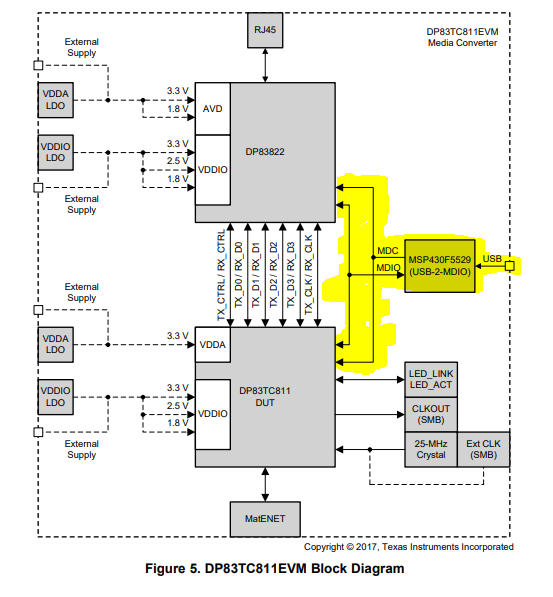
  • I was planning to layout a board that contains the 2 phys, just to use them as a converter but I am not sure if the 2 phys alone are going to work without MCD and MDIO lines connected to them. Will the following configuration work (without the highlighted components) without needing any firmware ore configuration?

  • Hi Klajdi,

    Yes, the converter will have the data path working without the controller present.

    If you plan to do any advanced testing with the converter, like OA compliance, then access to the MDIO to do register configurations will be required. For further information I would have to connect you to a TI FAE.

    Please let me know if you need more help and I will try to get an FAE in contact with you.

    Best Regards,
  • Hello Rob,
    I have the very same question Klajdi asked on June 19th.
    We just want to build up a converter from 4-wire to 2-wire Ethernet (and of course 2w to 4w) using the 811 and 822 to get an interface to automotive networking.
    What do You mean with OA compliance?
    Did You get any special comments from Your FAE?
    Pleased to read soon from You.
    Regards, Manfred
  • Hi Manfred,

    If you are interested in using the datapath only, to do TX to T1 conversion, then the media converter does not require software.

    Best Regards,
  • Hello Rob,
     
    thanks a lot for Your reply.
     
    So I will design a prototype-layout to evaluate both IC’s.
     
    One more question:
    Does TI allready have IC’s for converting GBit-Ethernet to 1000Base-T1?
     
     
    Best regards,
    Manfred

  • Hello Rob,

    i forgot to ask: Is there any option to convert directly from USB2.0 to 100Base-T1?

    Regards, Manfred