Part Number: TUSB1046A-DCI
Hi Team,
I would like to ask following two questions.
-----------------------------------------------------------------
1)
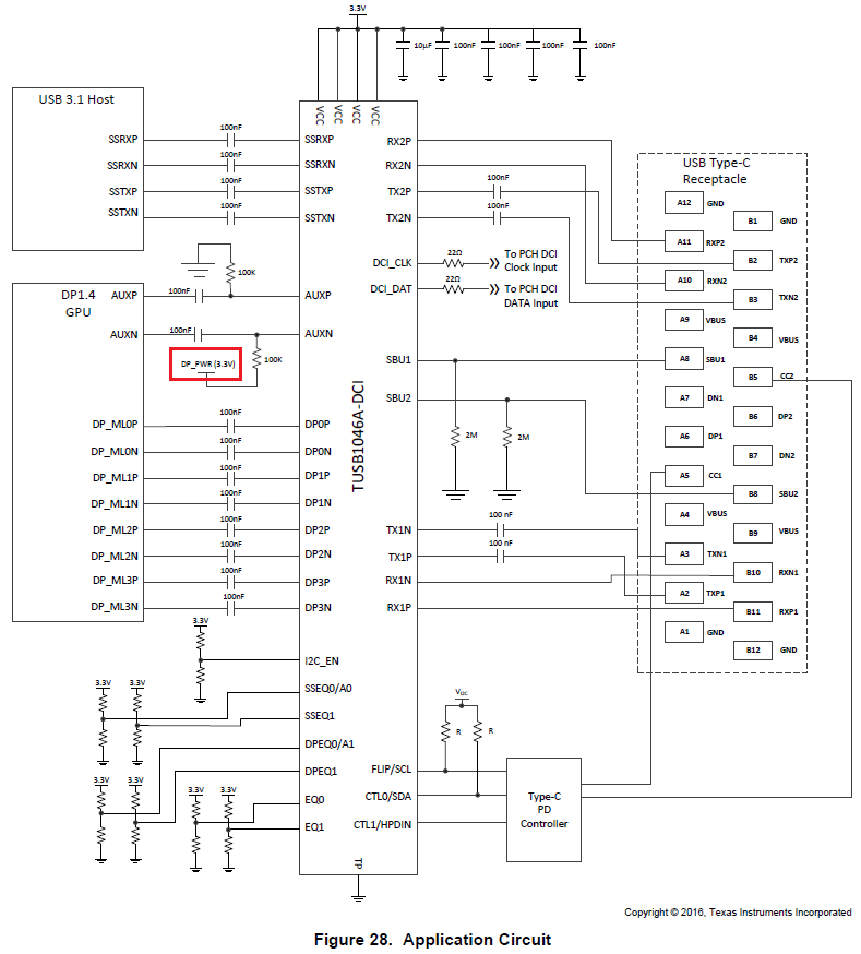
The datasheet shows AUXN pin requires a 100K resistor to DP_PWR (3.3V).
I believe DP_PWR should be applied after VCC is applied because of Absolute Maximum Ratings.
Is my understanding correct?

2)
The datasheet doesn't show detail of DP_PWR.
Does it indicate power supply of "DP1.4 GPU" in Figure 28?
If the answer is yes, is it possible to use specific 3.3V supply that isn't power supply of "DP1.4 GPU"?
-----------------------------------------------------------------
Best Regards,
Yaita / Japan disty