Part Number: DP83848C
I am using TI’s Ethernet PHY DP83848CVV with ST microcontroller. PHY is working fine with following cases
- 100Mbps + Full Duplex Mode + Auto Negotiation Disable
- 10Mbps + Full Duplex Mode + Auto Negotiation Disable.
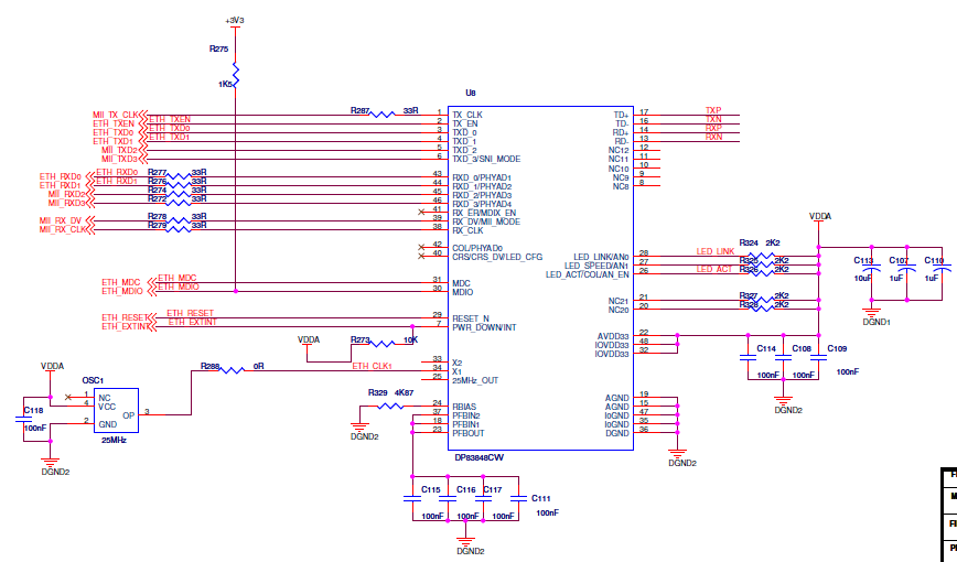
For clarification here I am attaching snapshot of PHY circuit diagram.
But when we changed its duplex mode from Full to Half Duplex mode it stops working.
Kindly suggest, how we can solve this problem.

