Hi, E2E members
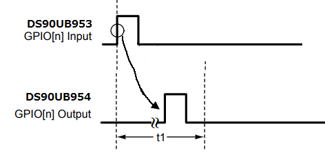
How long is the maximum latency delta of the GPIO data transmitted across links that DS90UB953 and DS90UB954?
* not set FC_GPIO_EN = 0x00
Regards,
Nao
This thread has been locked.
If you have a related question, please click the "Ask a related question" button in the top right corner. The newly created question will be automatically linked to this question.
Hi, E2E members
How long is the maximum latency delta of the GPIO data transmitted across links that DS90UB953 and DS90UB954?
* not set FC_GPIO_EN = 0x00
Regards,
Nao