This thread has been locked.

If you have a related question, please click the "Ask a related question" button in the top right corner. The newly created question will be automatically linked to this question.

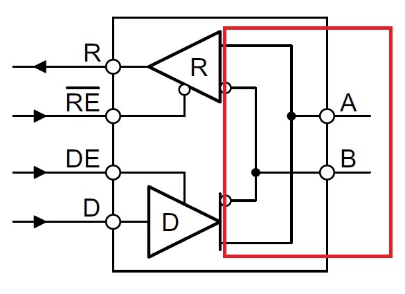
SN65HVD1781: SN65HVD1781DR Equivalent Circuit question

Part Number: SN65HVD1781
Other Parts Discussed in Thread: SN65HVD78

Customer need to know red frame Equivalent Circuit for solve current fail Issue.