Hello,
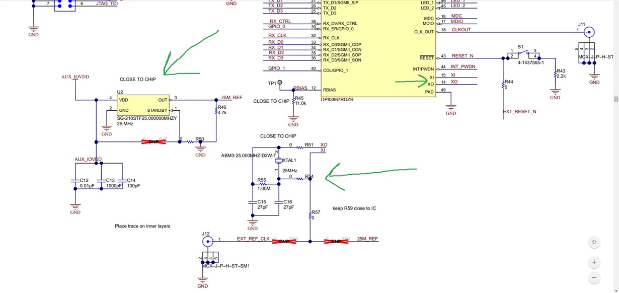
Looking at the DP83867-evm I noticed there is a crystal as well as an oscillator used for the input clock for this part. Why did TI load both types (25Mhz oscillator and 25Mhz crystal)? Is one better than the other? Screenshot attached.
This thread has been locked.
If you have a related question, please click the "Ask a related question" button in the top right corner. The newly created question will be automatically linked to this question.
Hello,
Looking at the DP83867-evm I noticed there is a crystal as well as an oscillator used for the input clock for this part. Why did TI load both types (25Mhz oscillator and 25Mhz crystal)? Is one better than the other? Screenshot attached.