This thread has been locked.

If you have a related question, please click the "Ask a related question" button in the top right corner. The newly created question will be automatically linked to this question.

TUSB2046B: am335x and TUSB2046B

Part Number: TUSB2046B
Other Parts Discussed in Thread: AM3358, , TUSB2036

Hi,

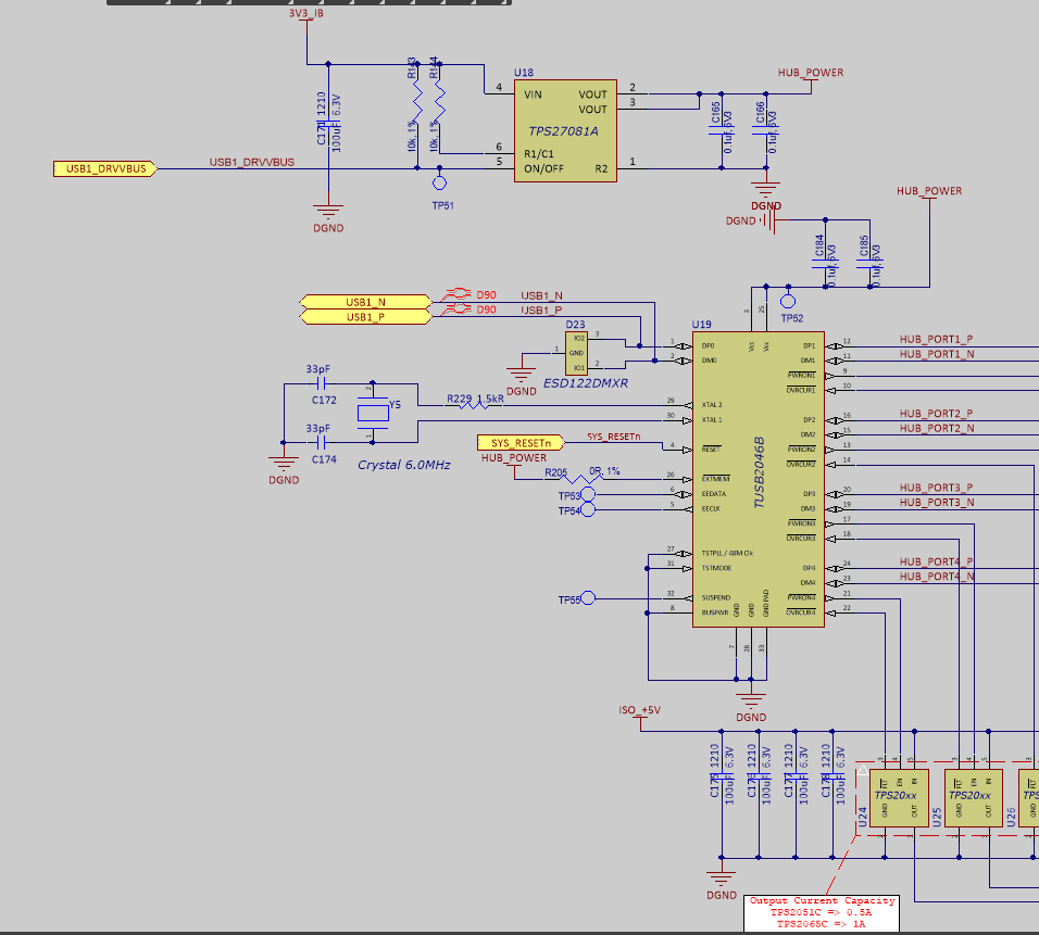
I have an AM3358 board that has a TUSB2046B on USB1.

I am not able to enumerate the USB Hub. I have attached screenshots for reference.

We also tried a different OS for the benefit of a doubt, but it did not produce any positive results.

Your response is highly appreciated.

 

  • Hi Harshal,

    Do you have a 1.5K pullup to 3.3V on the DP0 line? Did I miss it in the schematic?

    Regards,
    JMMN
  • Hi,

    I did miss it. 
    Since its a prototype, I soldered one 1.5K pull up to 3.3V on DP0 trace. (removed the TVS to accommodate)

    However, after this mod, I am getting following error on both OS (Debian and Nerves):

    musb-hdrc musb-hdrc.1: Babble

    The babble error loops for some time and the USB fails to enumerate.

    Below is some log dump:

    gdumpbeaglebone:~# cat /sys/kernel/debug/musb-hdrc.1/regdump
    MUSB (M)HDRC Register Dump
    FAddr : 00~# grep -i 'power\|devctl' /sys/kernel/debug/musb-hdrc.1.auto/reg
    Power : e2
    Frame : 01e9
    Index : 00
    Testmode : 00
    TxMaxPp : e200
    TxCSRp : 0000
    RxMaxPp : 0000
    RxCSR : ffff
    RxCount : fffe
    IntrRxE : fffe
    IntrTxE : ffff
    IntrUsbE : f7
    DevCtl : 5d
    VControl : 00000000
    HWVers : 0000
    LinkInfo : 5c
    VPLen : 3c
    HS_EOF1 : 80
    FS_EOF1 : 77
    LS_EOF1 : 72
    SOFT_RST : 00
    DMA_CNTLch0 : 0000
    DMA_ADDRch0 : 00000000
    DMA_COUNTch0: 00000000
    DMA_CNTLch1 : 0000
    DMA_ADDRch1 : 00000000
    DMA_COUNTch1: 00000000
    DMA_CNTLch2 : 0000
    DMA_ADDRch2 : 00000000
    DMA_COUNTch2: 00000000
    DMA_CNTLch3 : 0000
    DMA_ADDRch3 : 00000000
    DMA_COUNTch3: 00000000
    DMA_CNTLch4 : 0000
    DMA_ADDRch4 : 00000000
    DMA_COUNTch4: 00000000
    DMA_CNTLch5 : 0000
    DMA_ADDRch5 : 00000000
    DMA_COUNTch5: 00000000
    DMA_CNTLch6 : 0000
    DMA_ADDRch6 : 00000000
    DMA_COUNTch6: 00000000
    DMA_CNTLch7 : 0000
    DMA_ADDRch7 : 00000000
    DMA_COUNTch7: 00000000
    ConfigData : 00
    BabbleCtl : 44
    TxFIFOsz : 00
    RxFIFOsz : 00
    TxFIFOadd : 0000
    RxFIFOadd : 0000
    EPInfo : ff
    RAMInfo : 0d



    I have also attached some logs that we got during boot.

    Thank you.

    -

    root@beaglebone:~# dmesg
    [    0.000000] Booting Linux on physical CPU 0x0
    [    0.000000] Linux version 4.14.49-ti-r54 (root@b2-am57xx-beagle-x15-2gb) (gcc version 6.3.0 20170516 (Debian 6.3.0-18+deb9u1)) #1 SMP PREEMPT Fri Jun 15 22:14:13 UTC 2018
    [    0.000000] CPU: ARMv7 Processor [413fc082] revision 2 (ARMv7), cr=10c5387d
    [    0.000000] CPU: PIPT / VIPT nonaliasing data cache, VIPT aliasing instruction cache
    [    0.000000] OF: fdt: Machine model: TI AM335x BeagleBone Black
    [    0.000000] Memory policy: Data cache writeback
    [    0.000000] efi: Getting EFI parameters from FDT:
    [    0.000000] efi: UEFI not found.
    [    0.000000] cma: Reserved 48 MiB at 0x9c800000
    [    0.000000] On node 0 totalpages: 130560
    [    0.000000] free_area_init_node: node 0, pgdat c15ed380, node_mem_map df961000
    [    0.000000]   Normal zone: 1148 pages used for memmap
    [    0.000000]   Normal zone: 0 pages reserved
    [    0.000000]   Normal zone: 130560 pages, LIFO batch:31
    [    0.000000] CPU: All CPU(s) started in SVC mode.
    [    0.000000] AM335X ES2.1 (sgx neon)
    [    0.000000] random: get_random_bytes called from start_kernel+0xac/0x460 with crng_init=0
    [    0.000000] percpu: Embedded 18 pages/cpu @df902000 s41548 r8192 d23988 u73728
    [    0.000000] pcpu-alloc: s41548 r8192 d23988 u73728 alloc=18*4096
    [    0.000000] pcpu-alloc: [0] 0
    [    0.000000] Built 1 zonelists, mobility grouping on.  Total pages: 129412
    [    0.000000] Kernel command line: console=ttyO0,115200n8 bone_capemgr.uboot_capemgr_enabled=1 root=/dev/mmcblk0p1 ro rootfstype=ext4 rootwait coherent_pool=1M net.ifnames=0 quiet
    [    0.000000] PID hash table entries: 2048 (order: 1, 8192 bytes)
    [    0.000000] Dentry cache hash table entries: 65536 (order: 6, 262144 bytes)
    [    0.000000] Inode-cache hash table entries: 32768 (order: 5, 131072 bytes)
    [    0.000000] Memory: 440636K/522240K available (13312K kernel code, 1168K rwdata, 4372K rodata, 1024K init, 673K bss, 32452K reserved, 49152K cma-reserved, 0K highmem)
    [    0.000000] Virtual kernel memory layout:
                       vector  : 0xffff0000 - 0xffff1000   (   4 kB)
                       fixmap  : 0xffc00000 - 0xfff00000   (3072 kB)
                       vmalloc : 0xe0000000 - 0xff800000   ( 504 MB)
                       lowmem  : 0xc0000000 - 0xdfe00000   ( 510 MB)
                       pkmap   : 0xbfe00000 - 0xc0000000   (   2 MB)
                       modules : 0xbf000000 - 0xbfe00000   (  14 MB)
                         .text : 0xc0008000 - 0xc0e00000   (14304 kB)
                         .init : 0xc1400000 - 0xc1500000   (1024 kB)
                         .data : 0xc1500000 - 0xc16241a8   (1169 kB)
                          .bss : 0xc162ec1c - 0xc16d709c   ( 674 kB)
    [    0.000000] SLUB: HWalign=64, Order=0-3, MinObjects=0, CPUs=1, Nodes=1
    [    0.000000] ftrace: allocating 42794 entries in 126 pages
    [    0.000000] Preemptible hierarchical RCU implementation.
    [    0.000000]  RCU restricting CPUs from NR_CPUS=2 to nr_cpu_ids=1.
    [    0.000000]  Tasks RCU enabled.
    [    0.000000] RCU: Adjusting geometry for rcu_fanout_leaf=16, nr_cpu_ids=1
    [    0.000000] NR_IRQS: 16, nr_irqs: 16, preallocated irqs: 16
    [    0.000000] IRQ: Found an INTC at 0xfa200000 (revision 5.0) with 128 interrupts
    [    0.000000] OMAP clockevent source: timer2 at 24000000 Hz
    [    0.000025] sched_clock: 32 bits at 24MHz, resolution 41ns, wraps every 89478484971ns
    [    0.000046] clocksource: timer1: mask: 0xffffffff max_cycles: 0xffffffff, max_idle_ns: 79635851949 ns
    [    0.000056] OMAP clocksource: timer1 at 24000000 Hz
    [    0.001593] timer_probe: no matching timers found
    [    0.001933] Console: colour dummy device 80x30
    [    0.001960] WARNING: Your 'console=ttyO0' has been replaced by 'ttyS0'
    [    0.001964] This ensures that you still see kernel messages. Please
    [    0.001968] update your kernel commandline.
    [    0.001994] Calibrating delay loop... 995.32 BogoMIPS (lpj=1990656)
    [    0.021602] pid_max: default: 32768 minimum: 301
    [    0.021874] Security Framework initialized
    [    0.021888] Yama: becoming mindful.
    [    0.021927] AppArmor: AppArmor disabled by boot time parameter
    [    0.022121] Mount-cache hash table entries: 1024 (order: 0, 4096 bytes)
    [    0.022133] Mountpoint-cache hash table entries: 1024 (order: 0, 4096 bytes)
    [    0.023147] CPU: Testing write buffer coherency: ok
    [    0.023650] CPU0: thread -1, cpu 0, socket -1, mpidr 0
    [    0.037691] Setting up static identity map for 0x80100000 - 0x80100060
    [    0.045602] Hierarchical SRCU implementation.
    [    0.056711] EFI services will not be available.
    [    0.061608] smp: Bringing up secondary CPUs ...
    [    0.061623] smp: Brought up 1 node, 1 CPU
    [    0.061634] SMP: Total of 1 processors activated (995.32 BogoMIPS).
    [    0.061641] CPU: All CPU(s) started in SVC mode.
    [    0.063223] devtmpfs: initialized
    [    0.090017] VFP support v0.3: implementor 41 architecture 3 part 30 variant c rev 3
    [    0.090476] clocksource: jiffies: mask: 0xffffffff max_cycles: 0xffffffff, max_idle_ns: 7645041785100000 ns
    [    0.090502] futex hash table entries: 256 (order: 2, 16384 bytes)
    [    0.094451] xor: measuring software checksum speed
    [    0.133626]    arm4regs  :  1217.000 MB/sec
    [    0.173577]    8regs     :  1091.000 MB/sec
    [    0.213576]    32regs    :  1088.000 MB/sec
    [    0.253577]    neon      :  1669.000 MB/sec
    [    0.253584] xor: using function: neon (1669.000 MB/sec)
    [    0.253602] pinctrl core: initialized pinctrl subsystem
    [    0.254414] DMI not present or invalid.
    [    0.254862] NET: Registered protocol family 16
    [    0.258768] DMA: preallocated 1024 KiB pool for atomic coherent allocations
    [    0.322173] omap_hwmod: debugss: _wait_target_disable failed
    [    0.362846] cpuidle: using governor menu
    [    0.374557] OMAP GPIO hardware version 0.1
    [    0.393056] No ATAGs?
    [    0.393078] hw-breakpoint: debug architecture 0x4 unsupported.
    [    0.394087] omap4_sram_init:Unable to allocate sram needed to handle errata I688
    [    0.394104] omap4_sram_init:Unable to get sram pool needed to handle errata I688
    [    0.489637] raid6: neonx2   gen()  1883 MB/s
    [    0.557600] raid6: neonx2   xor()  1497 MB/s
    [    0.557607] raid6: using algorithm neonx2 gen() 1883 MB/s
    [    0.557613] raid6: .... xor() 1497 MB/s, rmw enabled
    [    0.557620] raid6: using neon recovery algorithm
    [    0.566036] edma 49000000.edma: TI EDMA DMA engine driver
    [    0.571540] SCSI subsystem initialized
    [    0.573770] libata version 3.00 loaded.
    [    0.574057] usbcore: registered new interface driver usbfs
    [    0.574115] usbcore: registered new interface driver hub
    [    0.574244] usbcore: registered new device driver usb
    [    0.575308] omap_i2c 44e0b000.i2c: could not find pctldev for node /ocp/l4_wkup@44c00000/scm@210000/pinmux@800/pinmux_i2c0_pins, deferring probe
    [    0.576303] omap_i2c 4802a000.i2c: bus 1 rev0.11 at 100 kHz
    [    0.577771] omap_i2c 4819c000.i2c: bus 2 rev0.11 at 100 kHz
    [    0.578078] media: Linux media interface: v0.10
    [    0.578130] Linux video capture interface: v2.00
    [    0.578287] pps_core: LinuxPPS API ver. 1 registered
    [    0.578295] pps_core: Software ver. 5.3.6 - Copyright 2005-2007 Rodolfo Giometti <giometti@linux.it>
    [    0.578317] PTP clock support registered
    [    0.578436] dmi: Firmware registration failed.
    [    0.579147] omap-mailbox 480c8000.mailbox: omap mailbox rev 0x400
    [    0.581996] Advanced Linux Sound Architecture Driver Initialized.
    [    0.582660] NetLabel: Initializing
    [    0.582670] NetLabel:  domain hash size = 128
    [    0.582675] NetLabel:  protocols = UNLABELED CIPSOv4 CALIPSO
    [    0.582755] NetLabel:  unlabeled traffic allowed by default
    [    0.586129] clocksource: Switched to clocksource timer1
    [    0.752133] VFS: Disk quotas dquot_6.6.0
    [    0.752247] VFS: Dquot-cache hash table entries: 1024 (order 0, 4096 bytes)
    [    0.764890] NET: Registered protocol family 2
    [    0.765799] TCP established hash table entries: 4096 (order: 2, 16384 bytes)
    [    0.765848] TCP bind hash table entries: 4096 (order: 3, 32768 bytes)
    [    0.765906] TCP: Hash tables configured (established 4096 bind 4096)
    [    0.766021] UDP hash table entries: 256 (order: 1, 8192 bytes)
    [    0.766043] UDP-Lite hash table entries: 256 (order: 1, 8192 bytes)
    [    0.766387] NET: Registered protocol family 1
    [    0.775306] RPC: Registered named UNIX socket transport module.
    [    0.775317] RPC: Registered udp transport module.
    [    0.775323] RPC: Registered tcp transport module.
    [    0.775328] RPC: Registered tcp NFSv4.1 backchannel transport module.
    [    0.776193] Unpacking initramfs...
    [    1.018197] random: fast init done
    [    1.024752] Freeing initrd memory: 3940K
    [    1.025369] hw perfevents: no interrupt-affinity property for /pmu, guessing.
    [    1.025634] hw perfevents: enabled with armv7_cortex_a8 PMU driver, 5 counters available
    [    1.027946] audit: initializing netlink subsys (disabled)
    [    1.029169] audit: type=2000 audit(1.028:1): state=initialized audit_enabled=0 res=1
    [    1.029303] workingset: timestamp_bits=14 max_order=17 bucket_order=3
    [    1.035202] zbud: loaded
    [    1.042553] NFS: Registering the id_resolver key type
    [    1.042600] Key type id_resolver registered
    [    1.042607] Key type id_legacy registered
    [    1.042626] nfs4filelayout_init: NFSv4 File Layout Driver Registering...
    [    1.042984] fuse init (API version 7.26)
    [    1.043885] orangefs_debugfs_init: called with debug mask: :none: :0:
    [    1.044084] orangefs_init: module version upstream loaded
    [    1.044093] SGI XFS with ACLs, security attributes, realtime, no debug enabled
    [    1.054919] Key type asymmetric registered
    [    1.054936] Asymmetric key parser 'x509' registered
    [    1.055062] Block layer SCSI generic (bsg) driver version 0.4 loaded (major 243)
    [    1.059408] io scheduler noop registered
    [    1.059419] io scheduler deadline registered
    [    1.059806] io scheduler cfq registered (default)
    [    1.059816] io scheduler mq-deadline registered
    [    1.062753] pinctrl-single 44e10800.pinmux: 142 pins at pa f9e10800 size 568
    [    1.069479] gpio-of-helper ocp:cape-universal: ready
    [    1.080041] wkup_m3_ipc 44e11324.wkup_m3_ipc: could not get rproc handle
    [    1.082308] Serial: 8250/16550 driver, 6 ports, IRQ sharing disabled
    [    1.086330] 44e09000.serial: ttyS0 at MMIO 0x44e09000 (irq = 30, base_baud = 3000000) is a 8250
    [    1.102629] console [ttyS0] enabled
    [    1.103802] 48022000.serial: ttyS1 at MMIO 0x48022000 (irq = 31, base_baud = 3000000) is a 8250
    [    1.104780] 48024000.serial: ttyS2 at MMIO 0x48024000 (irq = 32, base_baud = 3000000) is a 8250
    [    1.105743] 481a8000.serial: ttyS4 at MMIO 0x481a8000 (irq = 33, base_baud = 3000000) is a 8250
    [    1.109309] omap_rng 48310000.rng: Random Number Generator ver. 20
    [    1.110611] [drm] Initialized vgem 1.0.0 20120112 for virtual device on minor 0
    [    1.110720] usbcore: registered new interface driver udl
    [    1.119324] at24 2-0054: 32768 byte 24c256 EEPROM, writable, 1 bytes/write
    [    1.119626] at24 2-0055: 32768 byte 24c256 EEPROM, writable, 1 bytes/write
    [    1.119871] at24 2-0056: 32768 byte 24c256 EEPROM, writable, 1 bytes/write
    [    1.120086] at24 2-0057: 32768 byte 24c256 EEPROM, writable, 1 bytes/write
    [    1.120639] eqep 48300180.eqep: ver. 1.0
    [    1.120824] eqep 48300180.eqep: count_mode:0
    [    1.120834] eqep 48300180.eqep: invert_qa:1
    [    1.120843] eqep 48300180.eqep: invert_qb:1
    [    1.120850] eqep 48300180.eqep: invert_qi:0
    [    1.120858] eqep 48300180.eqep: invert_qs:0
    [    1.120866] eqep 48300180.eqep: swap_inputs:0
    [    1.120875] eqep 48300180.eqep: QDECCTL:0x0180
    [    1.120883] eqep 48300180.eqep: QPOSINIT:0x00000000
    [    1.120891] eqep 48300180.eqep: QPOSMAX:0xffffffff
    [    1.120898] eqep 48300180.eqep: QPOSCNT:0x00000000
    [    1.120908] eqep 48300180.eqep: omit_interrupt:0
    [    1.120915] eqep 48300180.eqep: QEINT:0x0800
    [    1.120923] eqep 48300180.eqep: QUPRD:0x05f5e100
    [    1.120931] eqep 48300180.eqep: QEPCTL:0x009e write
    [    1.120938] eqep 48300180.eqep: QEPCTL:0x009e read
    [    1.120965] eqep 48300180.eqep: irq:100, clk_rate:100000000
    [    1.121212] eqep 48302180.eqep: ver. 1.0
    [    1.121344] eqep 48302180.eqep: count_mode:0
    [    1.121354] eqep 48302180.eqep: invert_qa:1
    [    1.121361] eqep 48302180.eqep: invert_qb:1
    [    1.121369] eqep 48302180.eqep: invert_qi:0
    [    1.121377] eqep 48302180.eqep: invert_qs:0
    [    1.121384] eqep 48302180.eqep: swap_inputs:0
    [    1.121392] eqep 48302180.eqep: QDECCTL:0x0180
    [    1.121400] eqep 48302180.eqep: QPOSINIT:0x00000000
    [    1.121407] eqep 48302180.eqep: QPOSMAX:0xffffffff
    [    1.121414] eqep 48302180.eqep: QPOSCNT:0x00000000
    [    1.121422] eqep 48302180.eqep: omit_interrupt:0
    [    1.121429] eqep 48302180.eqep: QEINT:0x0800
    [    1.121437] eqep 48302180.eqep: QUPRD:0x05f5e100
    [    1.121445] eqep 48302180.eqep: QEPCTL:0x009e write
    [    1.121452] eqep 48302180.eqep: QEPCTL:0x009e read
    [    1.121473] eqep 48302180.eqep: irq:101, clk_rate:100000000
    [    1.121661] eqep 48304180.eqep: ver. 1.0
    [    1.121773] eqep 48304180.eqep: count_mode:0
    [    1.121783] eqep 48304180.eqep: invert_qa:1
    [    1.121790] eqep 48304180.eqep: invert_qb:1
    [    1.121798] eqep 48304180.eqep: invert_qi:0
    [    1.121806] eqep 48304180.eqep: invert_qs:0
    [    1.121814] eqep 48304180.eqep: swap_inputs:0
    [    1.121821] eqep 48304180.eqep: QDECCTL:0x0180
    [    1.121829] eqep 48304180.eqep: QPOSINIT:0x00000000
    [    1.121837] eqep 48304180.eqep: QPOSMAX:0xffffffff
    [    1.121844] eqep 48304180.eqep: QPOSCNT:0x00000000
    [    1.121852] eqep 48304180.eqep: omit_interrupt:0
    [    1.121859] eqep 48304180.eqep: QEINT:0x0800
    [    1.121867] eqep 48304180.eqep: QUPRD:0x05f5e100
    [    1.121874] eqep 48304180.eqep: QEPCTL:0x009e write
    [    1.121881] eqep 48304180.eqep: QEPCTL:0x009e read
    [    1.121903] eqep 48304180.eqep: irq:103, clk_rate:100000000
    [    1.152525] libphy: Fixed MDIO Bus: probed
    [    1.153363] CAN device driver interface
    [    1.154935] c_can_platform 481cc000.can: c_can_platform device registered (regs=fa1cc000, irq=40)
    [    1.155878] c_can_platform 481d0000.can: c_can_platform device registered (regs=fa1d0000, irq=41)
    [    1.210249] davinci_mdio 4a101000.mdio: davinci mdio revision 1.6, bus freq 1000000
    [    1.210267] davinci_mdio 4a101000.mdio: detected phy mask fffffffe
    [    1.211174] davinci_mdio: dt: updated phy_id[0] from phy_mask[fffffffe]
    [    1.225458] libphy: 4a101000.mdio: probed
    [    1.225488] davinci_mdio 4a101000.mdio: phy[0]: device 4a101000.mdio:00, driver SMSC LAN8710/LAN8720
    [    1.226849] cpsw 4a100000.ethernet: Detected MACID = 0c:ae:7d:6c:e4:ea
    [    1.226991] cpsw 4a100000.ethernet: initialized cpsw ale version 1.4
    [    1.227002] cpsw 4a100000.ethernet: ALE Table size 1024
    [    1.227055] cpsw 4a100000.ethernet: cpts: overflow check period 1250 (jiffies)
    [    1.230829] ehci_hcd: USB 2.0 'Enhanced' Host Controller (EHCI) Driver
    [    1.230895] ehci-platform: EHCI generic platform driver
    [    1.231357] ehci-omap: OMAP-EHCI Host Controller driver
    [    1.232401] usbcore: registered new interface driver usb-storage
    [    1.235954] am335x-phy-driver 47401300.usb-phy: 47401300.usb-phy supply vcc not found, using dummy regulator
    [    1.239396] am335x-phy-driver 47401b00.usb-phy: 47401b00.usb-phy supply vcc not found, using dummy regulator
    [    1.255258] omap_rtc 44e3e000.rtc: already running
    [    1.256050] omap_rtc 44e3e000.rtc: registered as rtc0
    [    1.257473] i2c /dev entries driver
    [    1.261826] omap_wdt: OMAP Watchdog Timer Rev 0x01: initial timeout 60 sec
    [    1.262447] softdog: initialized. soft_noboot=0 soft_margin=60 sec soft_panic=0 (nowayout=1)
    [    1.263966] cpuidle: enable-method property 'ti,am3352' found operations
    [    1.264878] sdhci: Secure Digital Host Controller Interface driver
    [    1.264885] sdhci: Copyright(c) Pierre Ossman
    [    1.265817] omap_hsmmc 48060000.mmc: Got CD GPIO
    [    1.345730] mmc0: host does not support reading read-only switch, assuming write-enable
    [    1.346668] sdhci-pltfm: SDHCI platform and OF driver helper
    [    1.349188] mmc0: new high speed SDHC card at address 1234
    [    1.350252] ledtrig-cpu: registered to indicate activity on CPUs
    [    1.351053] omap-aes 53500000.aes: OMAP AES hw accel rev: 3.2
    [    1.351513] omap-aes 53500000.aes: will run requests pump with realtime priority
    [    1.351917] mmcblk0: mmc0:1234 SA08G 7.29 GiB
    [    1.358472]  mmcblk0: p1
    [    1.360984] omap-sham 53100000.sham: hw accel on OMAP rev 4.3
    [    1.368204] hidraw: raw HID events driver (C) Jiri Kosina
    [    1.368969] usbcore: registered new interface driver usbhid
    [    1.368977] usbhid: USB HID core driver
    [    1.369542] remoteproc remoteproc0: wkup_m3 is available
    [    1.379025] wireguard: WireGuard 0.0.20180531 loaded. See www.wireguard.com for information.
    [    1.379039] wireguard: Copyright (C) 2015-2018 Jason A. Donenfeld <Jason@zx2c4.com>. All Rights Reserved.
    [    1.379881] NET: Registered protocol family 10
    [    1.385649] Segment Routing with IPv6
    [    1.385741] mip6: Mobile IPv6
    [    1.385757] NET: Registered protocol family 17
    [    1.385776] can: controller area network core (rev 20170425 abi 9)
    [    1.385864] NET: Registered protocol family 29
    [    1.385991] Key type dns_resolver registered
    [    1.385998] mpls_gso: MPLS GSO support
    [    1.386008] NET: Registered protocol family 44
    [    1.386505] omap_voltage_late_init: Voltage driver support not added
    [    1.393381] ThumbEE CPU extension supported.
    [    1.393407] Registering SWP/SWPB emulation handler
    [    1.394486] registered taskstats version 1
    [    1.394633] zswap: loaded using pool lzo/zbud
    [    1.397385] Btrfs loaded, crc32c=crc32c-generic
    [    1.397548] ima: No TPM chip found, activating TPM-bypass! (rc=-19)
    [    1.397575] ima: Allocated hash algorithm: sha256
    [    1.400344] mmc1: new high speed MMC card at address 0001
    [    1.406380] mmcblk1: mmc1:0001 Q2J54A 3.59 GiB
    [    1.406996] mmcblk1boot0: mmc1:0001 Q2J54A partition 1 16.0 MiB
    [    1.409175] mmcblk1boot1: mmc1:0001 Q2J54A partition 2 16.0 MiB
    [    1.409693] mmcblk1rpmb: mmc1:0001 Q2J54A partition 3 512 KiB
    [    1.438238] tda998x 0-0070: Error -121 writing to cec:0xff
    [    1.443893] tda998x 0-0070: set_page 000a err -121
    [    1.506212] tda998x 0-0070: set_page 000a err -121
    [    1.570201] tda998x 0-0070: set_page 0001 err -121
    [    1.575116] tda998x 0-0070: set_page 0001 err -121
    [    1.580021] tda998x 0-0070: set_page 0200 err -121
    [    1.584927] tda998x 0-0070: set_page 0201 err -121
    [    1.589829] tda998x 0-0070: set_page 0202 err -121
    [    1.594733] tda998x 0-0070: set_page 0203 err -121
    [    1.599636] tda998x 0-0070: set_page 0204 err -121
    [    1.604541] tda998x 0-0070: set_page 0205 err -121
    [    1.609441] tda998x 0-0070: set_page 020e err -121
    [    1.614343] tda998x 0-0070: set_page 0211 err -121
    [    1.619244] tda998x 0-0070: set_page 0207 err -121
    [    1.624146] tda998x 0-0070: set_page 0208 err -121
    [    1.629046] tda998x 0-0070: set_page 0209 err -121
    [    1.633948] tda998x 0-0070: set_page 020a err -121
    [    1.638850] tda998x 0-0070: set_page 0206 err -121
    [    1.643750] tda998x 0-0070: set_page 0027 err -121
    [    1.648650] tda998x 0-0070: set_page 0000 err -121
    [    1.653552] tda998x 0-0070: set_page 0002 err -121
    [    1.658599] tilcdc 4830e000.lcdc: failed to bind 0-0070 (ops tda998x_ops): -6
    [    1.666094] tilcdc 4830e000.lcdc: master bind failed: -6
    [    1.680727] input: tps65217_pwr_but as /devices/platform/ocp/44e0b000.i2c/i2c-0/0-0024/tps65217-pwrbutton/input/input0
    [    1.681357] tps65217 0-0024: TPS65217 ID 0xe version 1.2
    [    1.681845] at24 0-0050: 32768 byte 24c256 EEPROM, writable, 1 bytes/write
    [    1.681958] omap_i2c 44e0b000.i2c: bus 0 rev0.11 at 400 kHz
    [    1.683766] remoteproc remoteproc0: powering up wkup_m3
    [    1.683883] remoteproc remoteproc0: Booting fw image am335x-pm-firmware.elf, size 217168
    [    1.690451] remoteproc remoteproc0: remote processor wkup_m3 is now up
    [    1.690472] wkup_m3_ipc 44e11324.wkup_m3_ipc: CM3 Firmware Version = 0x193
    [    1.693510] musb-hdrc musb-hdrc.1: MUSB HDRC host driver
    [    1.693569] musb-hdrc musb-hdrc.1: new USB bus registered, assigned bus number 1
    [    1.693918] usb usb1: New USB device found, idVendor=1d6b, idProduct=0002
    [    1.693929] usb usb1: New USB device strings: Mfr=3, Product=2, SerialNumber=1
    [    1.693938] usb usb1: Product: MUSB HDRC host driver
    [    1.693946] usb usb1: Manufacturer: Linux 4.14.49-ti-r54 musb-hcd
    [    1.693954] usb usb1: SerialNumber: musb-hdrc.1
    [    1.695026] hub 1-0:1.0: USB hub found
    [    1.695115] hub 1-0:1.0: 1 port detected
    [    1.700229] omap_rtc 44e3e000.rtc: setting system clock to 2018-10-31 22:14:04 UTC (1541024044)
    [    1.700250] of_cfs_init
    [    1.700398] of_cfs_init: OK
    [    1.701491] ALSA device list:
    [    1.701502]   No soundcards found.
    [    1.706477] Freeing unused kernel memory: 1024K
    [    1.853876] random: systemd-udevd: uninitialized urandom read (16 bytes read)
    [    1.855055] random: systemd-udevd: uninitialized urandom read (16 bytes read)
    [    1.855172] random: systemd-udevd: uninitialized urandom read (16 bytes read)
    [    2.102291] usb 1-1: new full-speed USB device number 2 using musb-hdrc
    [    2.230344] usb 1-1: device descriptor read/64, error -71
    [    2.482324] usb 1-1: device descriptor read/64, error -71
    [    2.730281] usb 1-1: new full-speed USB device number 3 using musb-hdrc
    [    2.858289] usb 1-1: device descriptor read/64, error -71
    [    3.102310] usb 1-1: device descriptor read/64, error -71
    [    3.222523] usb usb1-port1: attempt power cycle
    [    3.666251] usb 1-1: new full-speed USB device number 4 using musb-hdrc
    [    4.210245] usb 1-1: new full-speed USB device number 5 using musb-hdrc
    [   13.481018] EXT4-fs (mmcblk0p1): INFO: recovery required on readonly filesystem
    [   13.481033] EXT4-fs (mmcblk0p1): write access will be enabled during recovery
    [   13.497170] EXT4-fs (mmcblk0p1): recovery complete
    [   13.502716] EXT4-fs (mmcblk0p1): mounted filesystem with ordered data mode. Opts: (null)
    [   14.330993] ip_tables: (C) 2000-2006 Netfilter Core Team
    [   14.387112] systemd[1]: systemd 232 running in system mode. (+PAM +AUDIT +SELINUX +IMA +APPARMOR +SMACK +SYSVINIT +UTMP +LIBCRYPTSETUP +GCRYPT +GNUTLS +ACL +XZ +LZ4 +SECCOMP +BLKID +ELFUTILS +KMOD +IDN)
    [   14.387892] systemd[1]: Detected architecture arm.
    [   14.390609] systemd[1]: Set hostname to <beaglebone>.
    [   15.169577] systemd[1]: Created slice User and Session Slice.
    [   15.170679] systemd[1]: Listening on fsck to fsckd communication Socket.
    [   15.171173] systemd[1]: Listening on udev Control Socket.
    [   15.171632] systemd[1]: Listening on Journal Socket (/dev/log).
    [   15.172113] systemd[1]: Listening on Journal Socket.
    [   15.172455] systemd[1]: Listening on Syslog Socket.
    [   15.173173] systemd[1]: Listening on Journal Audit Socket.
    [   16.265144] EXT4-fs (mmcblk0p1): re-mounted. Opts: errors=remount-ro
    [   16.827131] systemd-journald[584]: Received request to flush runtime journal from PID 1
    [   22.629015] random: crng init done
    [   22.629041] random: 7 urandom warning(s) missed due to ratelimiting
    [   23.135524] nf_conntrack version 0.5.0 (8192 buckets, 32768 max)
    [   23.521987] using random self ethernet address
    [   23.522008] using random host ethernet address
    [   23.739909] using random self ethernet address
    [   23.739929] using random host ethernet address
    [   25.128599] Mass Storage Function, version: 2009/09/11
    [   25.128624] LUN: removable file: (no medium)
    [   25.331104] net eth0: initializing cpsw version 1.12 (0)
    [   25.419546] SMSC LAN8710/LAN8720 4a101000.mdio:00: attached PHY driver [SMSC LAN8710/LAN8720] (mii_bus:phy_addr=4a101000.mdio:00, irq=POLL)
    [   25.435407] IPv6: ADDRCONF(NETDEV_UP): eth0: link is not ready
    [   26.102549] usb0: HOST MAC 0c:ae:7d:6c:e4:eb
    [   26.110802] usb0: MAC 0c:ae:7d:6c:e4:ec
    [   26.115162] usb1: HOST MAC 0c:ae:7d:6c:e4:ee
    [   26.115429] usb1: MAC 0c:ae:7d:6c:e4:ef
    [   28.479586] cpsw 4a100000.ethernet eth0: Link is Up - 100Mbps/Full - flow control rx/tx
    [   28.479678] IPv6: ADDRCONF(NETDEV_CHANGE): eth0: link becomes ready
    [   31.773760] 8021q: 802.1Q VLAN Support v1.8
    [   31.773852] 8021q: adding VLAN 0 to HW filter on device eth0
    [   33.784871] IPv6: ADDRCONF(NETDEV_UP): usb0: link is not ready
    [   35.702410] IPv6: ADDRCONF(NETDEV_UP): usb1: link is not ready
    [   48.529595] pruss 4a300000.pruss: creating PRU cores and other child platform devices
    [   48.720891] remoteproc remoteproc1: 4a334000.pru is available
    [   48.721097] pru-rproc 4a334000.pru: PRU rproc node /ocp/pruss_soc_bus@4a326004/pruss@0/pru@34000 probed successfully
    [   48.800222] remoteproc remoteproc2: 4a338000.pru is available
    [   48.800359] pru-rproc 4a338000.pru: PRU rproc node /ocp/pruss_soc_bus@4a326004/pruss@0/pru@38000 probed successfully
    Harshal

  • Hi Harshal,

    I'm going to move this thread over to a AM3358 forum since the TUSB2036 looks ok. We do need the AM3358 team to confirm that it has internal 15K pulldowns. Typically we recommend the small series resistors and small caps to ground that are shown in the TUSB2036 datasheet and EVM design.

    Regards,
    JMMN
  • Hello,

    I have 22Ohm series resistor on the 4 output diff pairs of the hub.
    I do not have filter caps as you mentioned, but I can solder some right at the USB type A connector.
    22pF, 50V, 0603.

    -Harshal
  • HI Harshal,

    Since the upstream connection is not loading properly yet, I don't know if it is worth while to adjust the circuits on the downstream ports yet. The caps are useful for signal quality, but I would still expect to see a connection without them.

    I would like someone from the processor team to look at your debug output and see if they can tell what is happening.

    Thanks,
    JMMN
  •  Hi,
    Adding more info here

    When we probe the USB_P
    This is what we see at the logic analyzer.

    Hope it helps.

    Looking forward to hearing from the AM335x team.

    - Harshal