This thread has been locked.

If you have a related question, please click the "Ask a related question" button in the top right corner. The newly created question will be automatically linked to this question.

DS90UB926Q-Q1: TI serializer does not work with deserializer

Part Number: DS90UB926Q-Q1


Hello,

I am using an image sensor( 12 bit parallel CSI interface) connecting with the DS90UB925Q ->LVDS connection ->DS90UB926Q, then to the NXP i.MX6Q processor, my configuration of the serdes is set as below:

static const serdes_register_map DESERIALIZER_INITIAL_CONFIG = {

{ 2, 0xa },
{ 3, 0xe9 }, // Strobed on rising clock edge, filter off
{ 5, 0x9e },
{ 38, 0x19 }, // SCL high time for 400 kHz
{ 39, 0x19 }, // SCL low time for 400 kHz
{ 41, 0x83 } // VS, HS, all FRC* off
};
static const serdes_register_map SERIALIZER_REGISTER_CONFIG = {
{ 3, 0xc3 }, // Strobed on rising clock edge, filter off
{ 4, 0x8a },
{ 18, 0xc }, // 18-bit interface
{ 24, 0x20 }, // SCL high time for 400 kHz
{ 25, 0x20 }, // SCL low time for 400 kHz
{ 13, 0xa5 }, // GPIO0 = TOF CC reset
{ 14, 0x55 }, // GPIO1 = TOF CC trigger, GPIO2 = LDEN
{ 15, 0x00 },
{ 16, 0x00 }
};
static const serdes_register_map DESERIALIZER_GPIO_CONFIG = {
{ 29, 0xa3 }, // GPIO0 = TOF CC reset
{ 30, 0x33 }, // GPIO1 = TOF CC trigger, GPIO2 = LDEN
{ 31, 0x00 }
};

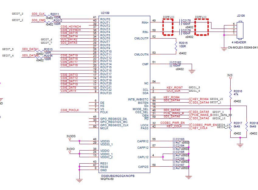
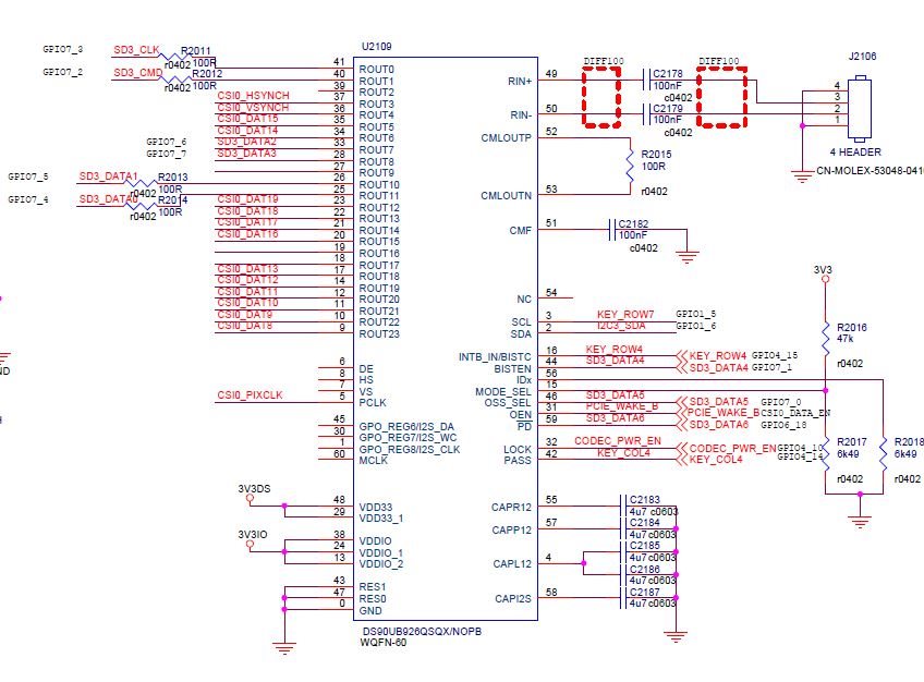
so far I can get the deserialzer's I2C address, but cannot get the address of the serialzer and image sensor. Seems the deserializer did not work, so do you know what is going on? or should I configure any other pin else? the circuits are as below:

in this deserialier picture, the micro processor is connecting to the top left, failed to read the address of serializer and sensor through the RIN+ RIN- 

could anyone here help me on get my mircoprocessor to read the sensor information through the serdes?

Regards

Robert