Hi,
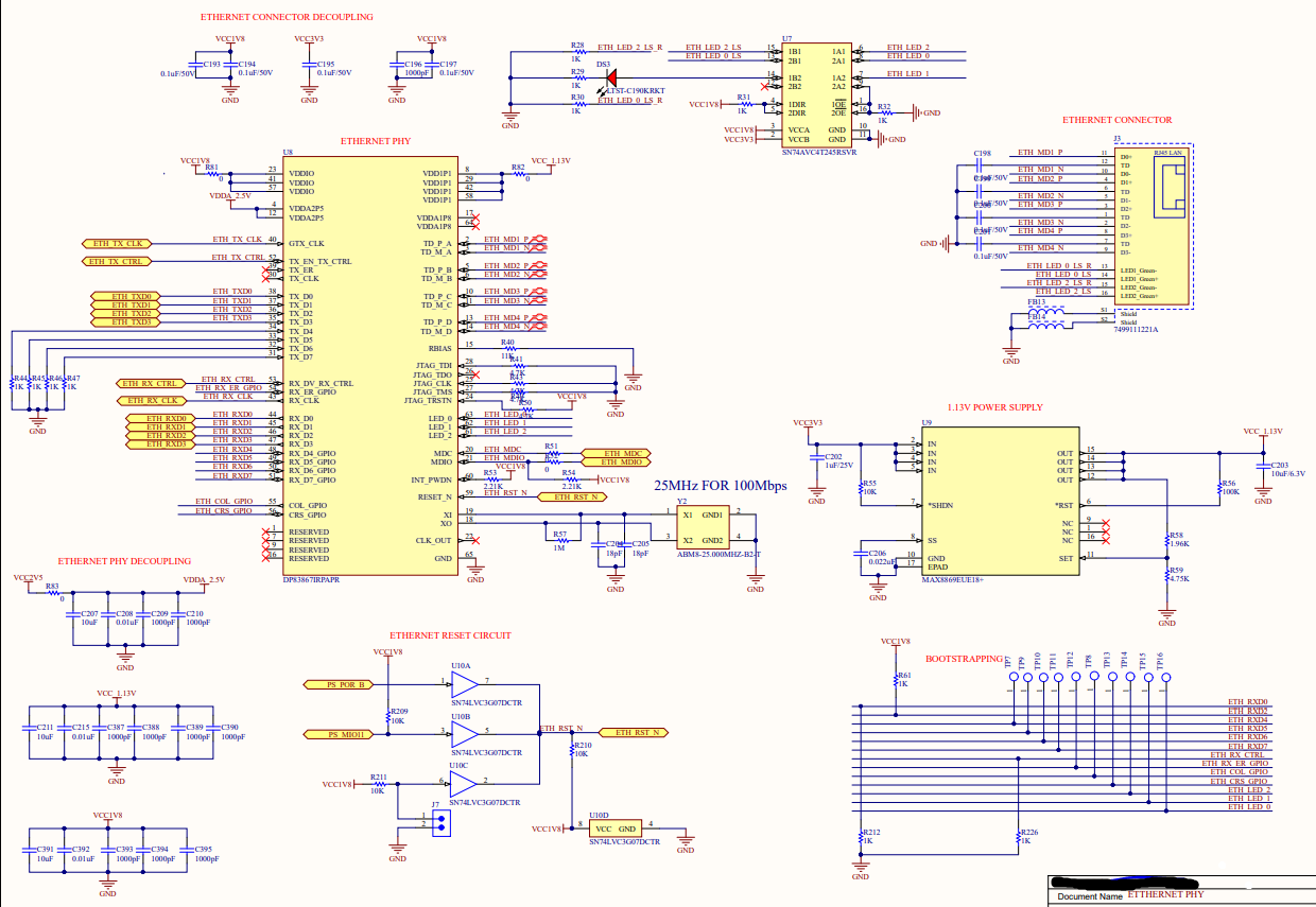
We are designing a bronchoscope with DP83867IR as Ethernet Phy.This is a Xilinx xc7z02 FPGA based design We are facing some issues with it.Details are given below
1. Auto negotiation is not taking place.
2. We tried to check for pulse transaction in the output data lines we were not able to see any transactions.
3. We see that MDIO communication is taking place properly.
4. We came to know that same IC is being used in ZCU102 and cross verified the schematics.
Is there any special PCB routing design to be adopted?
I have attached the schematics for your reference
