Other Parts Discussed in Thread: 3220DFP-DGLEVM,
Hi Team,
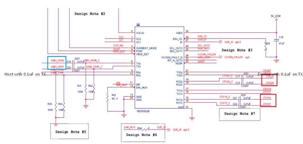
The datasheet shows "75-200 nF range allowed" for AC Coupling Capacitors for SS signals (TX pairs).
On the other hand, 3220DFP-DGLEVM has 0.47uF each.
http://www.ti.com/lit/ug/sllu237a/sllu237a.pdf
Which is recommended value?
Best Regards,
Yaita
