This thread has been locked.

If you have a related question, please click the "Ask a related question" button in the top right corner. The newly created question will be automatically linked to this question.

HD3SS3212-Q1: Biasing and Coupling With TUSB1002I Redriver

Part Number: HD3SS3212-Q1
Other Parts Discussed in Thread: HD3SS3212

Hey Team,

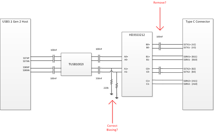
I need some clarification on the biasing and coupling scheme for HD3SS3212-Q1 in a DFP Type C application when paired with TUSB1002I. Here's a diagram of the situation:

The two items in red are where I need clarification.

1. Is the biasing correct for the RX lines considering the addition of the redriver means the host RX biasing is not applied to the HD3SS3212-Q1?

2. Should the AC coupling caps be removed going from the HD3SS3212-Q1 output to the SSTX pins on the type C connector that way the endpoint RX can bias in mux?

Thanks,

Casey 

  • Casey

    Please remove 100nF on A0+/- since the bias is already done on B0+/- and C0+/- for TX.

    Please remove 330nF on A1+/- and put 330nF on B1+/- and C1+/-.

    So A0+/- and A1+/- are DC coupled to TUSB1002I, with only 220k termination on A1+/-.

    B0+/- and C0+/- are AC coupled with 100nF and B1+/- and C1+/- are AC coupled with 330nF.

    You may want to take a look at TUSB1002AI. If you use TUSB1002AI, then you don't need the 220k termination on A1+/-.

    Thanks
    David
  • Hey David,

    Ok here's a revised diagram. Does this look right? Don't I need termination on A+/- since it is AC coupled on both sides HD3SS3212-Q1?

    Best Regards,

    Casey

  • Casey

    Please change 330nF on C0 to 100nF. 330nF caps needs to be on B1 and C1.

    The termination to GND is included inside TUSB1002AI.

    If common mode voltage is greater than 2V, then you need to AC couple caps both side of HD3SS3212 and provide external biasing. But TUSB1002AI common mode voltage is 2V, then you don't need to do AC couple caps and external bias circuit.

    Thanks
    David