Part Number: TCA9517A
Other Parts Discussed in Thread: TCA9517
Hi-Team
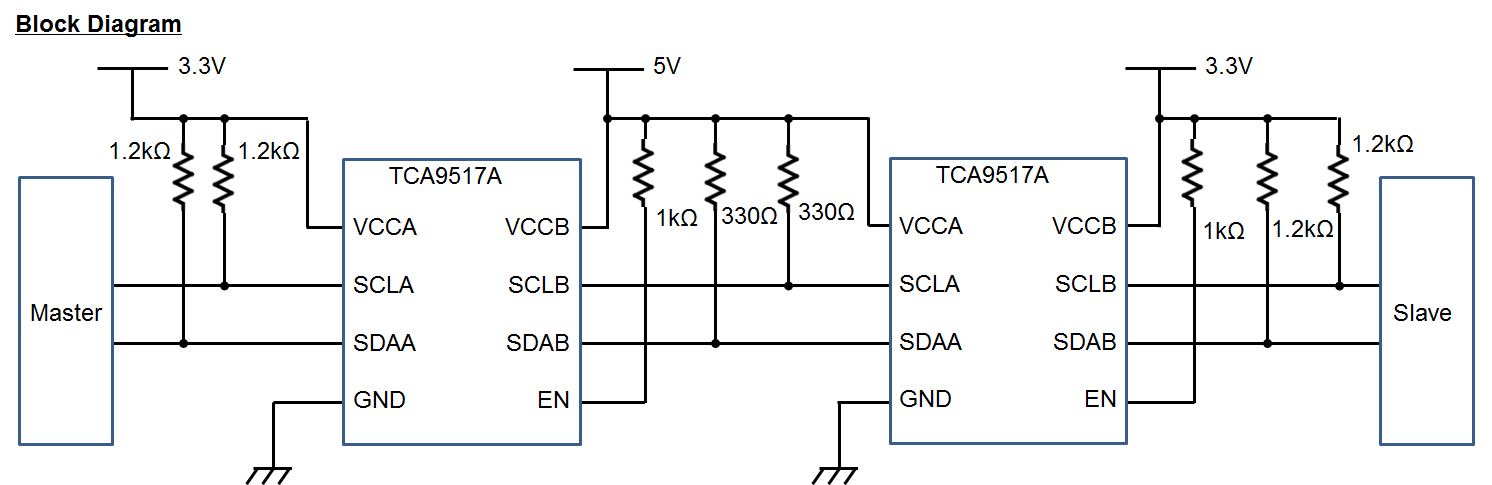
I have a question with TCA9517A.
From the contents below
"Deleted VCCA <VCCB from the Design Requirements list."
Is the following configuration possible?
I confirmed the contents of past E2E.
Under the condition that VCCA> VCCB difference is large,
I understood that it does not operate properly, but is it correct?
Best Regards,
Ishiwata
