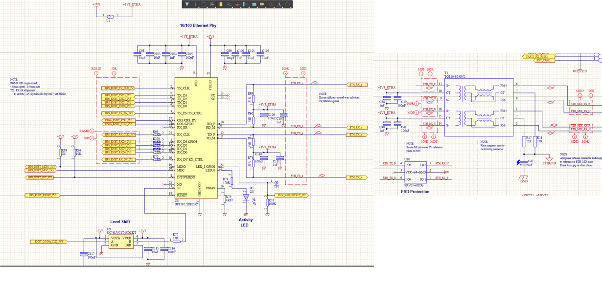
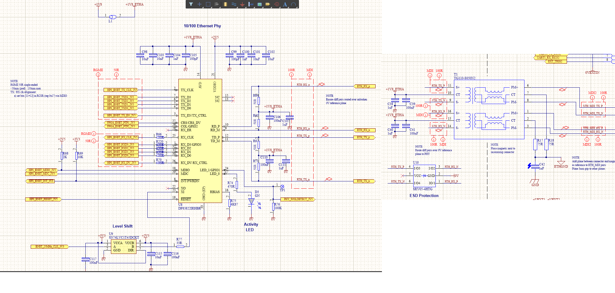
Part Number: DP83822I
Hi,
I've got a DP83822I on a board with a Cyclone V (RGMII) - in U-BOOT its failing to auto-negotiate (the Auto-Negotiation Complete bit in reg 0x0001 is never getting set). I'm seeing reg 0x0005 updating with Link Partner information when the board is either connected to a PC, connected with an external loop-back on the RJ45 or configured for analogue loop-back with the BIST register - so it looks like somethings happening. Can you suggest what I need to look at - its not in reset and its got a 25MHz clock. From a similar post these are the registers that were requested:
0x00 = 0x1000
0x04 = 0x01E1
0x05 = 0xC1E1
0x10 = 0x4002
0x17 = 0x0261
0x19 = 0x8021
0x467 = 0x2001
0x468 = 0x4000
Kind regards,
Dave
