Part Number: PCA9306
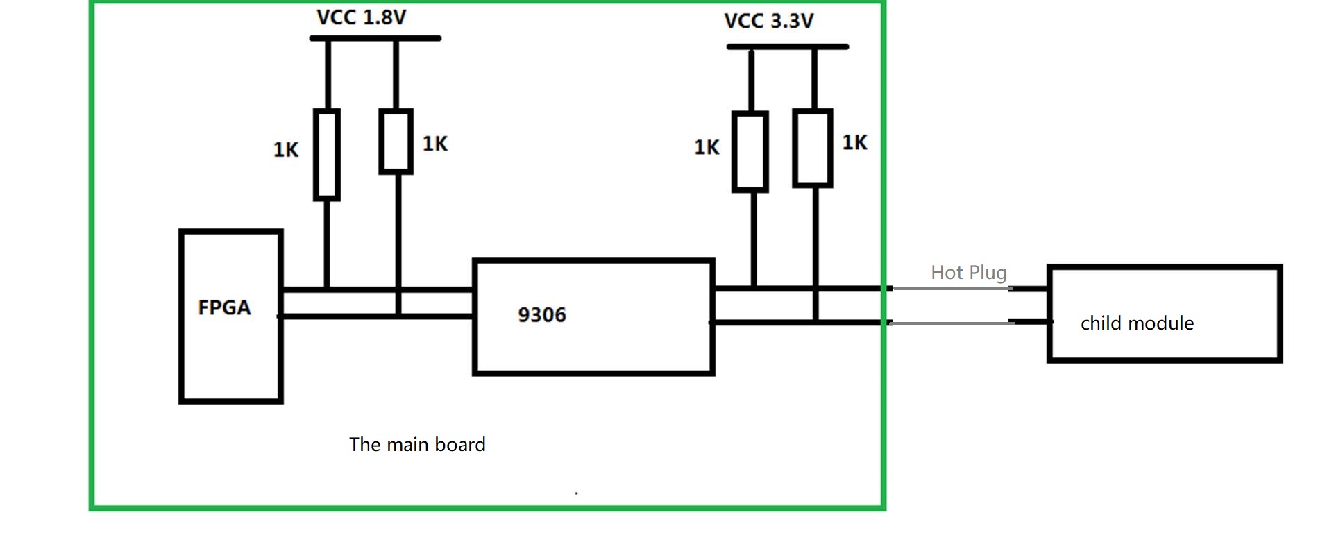
System scheme diagram is shown in the figure above.
9306 plays the role of bridge between the main board and child module. The child module can be inserted and unplugged.
Our customer's design is that after the child module is inserted and stabilized, the child module is powered on by the control board. And during the whole process they keeps EN pin high.
So the question is that does a design like this have an bad effect on hot-plugging?
Regards,
Lijia
