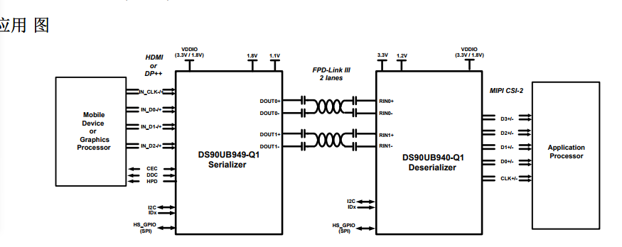
Part Number: DS90UB941AS-Q1
Dear TI Experts,
I'd like to choose a Des to work with DA90UB941. and the situation is that the Des needs to be connected directly to CPU
Can I use DS90UB940? Can I use DS90UB926?
This thread has been locked.
If you have a related question, please click the "Ask a related question" button in the top right corner. The newly created question will be automatically linked to this question.
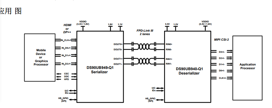
Part Number: DS90UB941AS-Q1
Dear TI Experts,
I'd like to choose a Des to work with DA90UB941. and the situation is that the Des needs to be connected directly to CPU
Can I use DS90UB940? Can I use DS90UB926?