This thread has been locked.

If you have a related question, please click the "Ask a related question" button in the top right corner. The newly created question will be automatically linked to this question.

TPS65982: USB C OTG Style Cable Possible with this Part?

Part Number: TPS65982


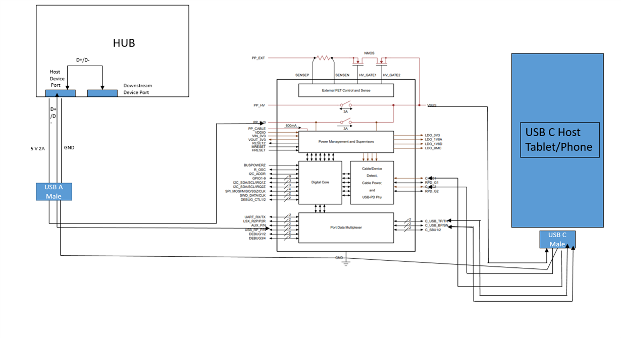
I have a USB hub that takes a power input from a battery and has USB A female connectors on it. It charges the USB devices connected with USB 2.0 standard 5V 2A supplied. One connector is for a host device and the rest are for downstream devices. I was able to use previous Android phones and tablets with an On the Go cable to allow the host device to charge and act as a host to send data at the same time (simultaneous host and charge) to the downstream ports. It was just a cable with a resistor tied to ground on an ID pin at the male end. The new USB C standard requires a power delivery system to accomplish the same task so I am trying to make a cable that will allow for the same function. I think that using the TPS65982 chip in my design (along with necessary passives and programming IC's) may work if configured in a tablet mode as seen in the TPS65982 EVM data sheet. I am wondering if I configure the chip to be a data role DFP but current sink(Tablet in the TPS65982 EVM data sheet), will it be able to charge off the USB supplied power, or will I have to add another TPS65982 between the USB A end and other chip to act as a USB C charger.

I attached a small sketch that may show what I am trying to do a bit better, along with a picture of the configuration mode I am talking about.

Thanks

  • Hi Jeremy,

    I am looking into your question and I will get back to you as soon as possible.

    Thank you,
    Eric

  • Hi Jeremy,

    To become a data DFP and a power sink, you would need to be able to support either a power role swap or data role swap using power delivery. The standard USB Type-C connection types are DFP/Source or UFP/Sink. This is how your device would initially come up. You can then initiate a power role swap or data role swap if the connected device also supports power delivery to get into your desired state (DFP/Sink). If the connected device does not support PD, then this behavior is not supported.

    Thank you,
    Eric