Hi,
When I connect my circuit to the PC with Windows 7, it shows up as an unknown device, but when I connect my circuit to the PC with Windows 10 it get's recognized.
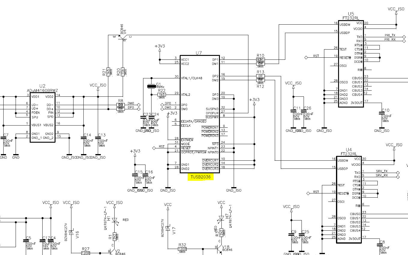
Here's the schematic:
Thank you very much for helping me.
This thread has been locked.
If you have a related question, please click the "Ask a related question" button in the top right corner. The newly created question will be automatically linked to this question.
Hi,
When I connect my circuit to the PC with Windows 7, it shows up as an unknown device, but when I connect my circuit to the PC with Windows 10 it get's recognized.
Here's the schematic:
Thank you very much for helping me.
Is there any more support needed for this issue? If so please reply with any relevant details so that I can further assist you. For now I will be marking this thread as "TI Thinks Resolved". If you have resolved your issue, please post the solution to the original problem/post for others with similar issues.