This thread has been locked.

If you have a related question, please click the "Ask a related question" button in the top right corner. The newly created question will be automatically linked to this question.

TPS65981: TPS65981 SCH Check

Part Number: TPS65981


Hi,

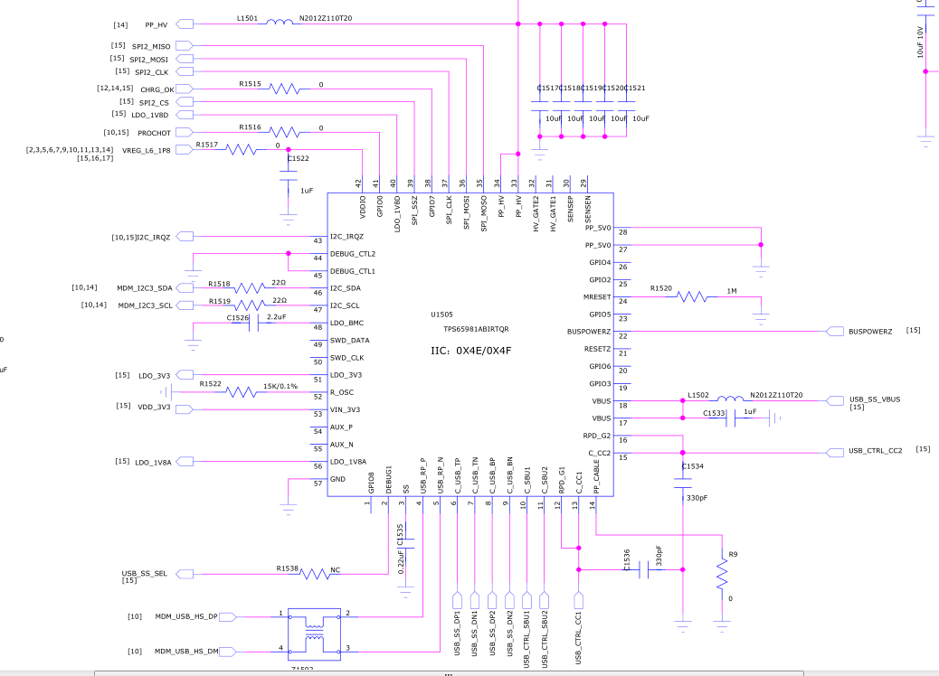
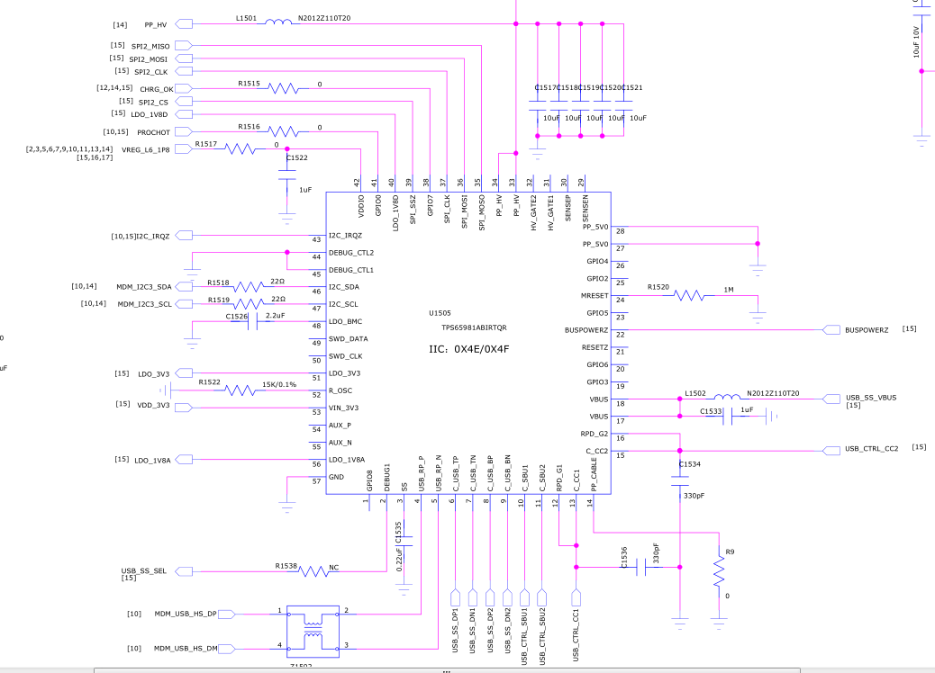
I have a project designed with TPS65981. Please help check the schematic diagram. Thanks!

  • Hi Banche Duan,

    All connections seem to be correct. I understand that you may have the Supply load capacitors placed outside this schematic. However, I will go ahead and give the elements I did not see within this schematic:

    LDO_1v8A : Bypass with 1uf cap to GND

    LDO_1v8D : Bypass with 1uf cap to GND

    LDO_3v3 : Bypass with 10uf cap to GND

    VIN_3v3 : Bypass with 10uf cap to GND

    PP_HV: Bypass with 4.3uf cap to GND

    SPI_SSZ: Tie pin to LDO_3V3 through a 3.3k ohms

    I2C_SCL: Tie pin to LDO_3V3 through a 10k ohms

    I2C_SCA: Tie pin to LDO_3V3 through a 10k ohms

    I2C_IRQZ: Pull up resistance. (no more than 2mA)

    I understand this components may be in another diagram but I would recommend double checking these specifications. Let us knows if this solves your thread. 

  • Hi Francisco Lauzurique,

    Thanks for your suggestion!The Supply load capacitors  has been placed 。

    But because the pictures can't contain all the schematics ,Can I send you the  complete schematic by email ?

    Thanks!

  • Good Morning Blanche Duan,

    I found a good reference design in our website that will guide you through your design. Access the following link http://www.ti.com/lit/pdf/slvuaw8, this reference design has the schematics in page 17 and bellow. It is important to notice that we divide the schematics into controller and power path, therefore you have to look at both parts in page 18 and 21 respectively. I hope this helps with you design and gives you an additional reference. Let us know if this resolves your thread.


    Thanks,

    Francisco Lauzurique  

  • Hi Francisco Lauzurique ,

    Could you please share your email address, since we add an usb switch also, and we are not  sure our TPS65981 will act normally in the whole system.

    So we need you your help have a quick look at the entire schematic to see if we use our TPS65981 correctly.

    Best Regards

    David Liu