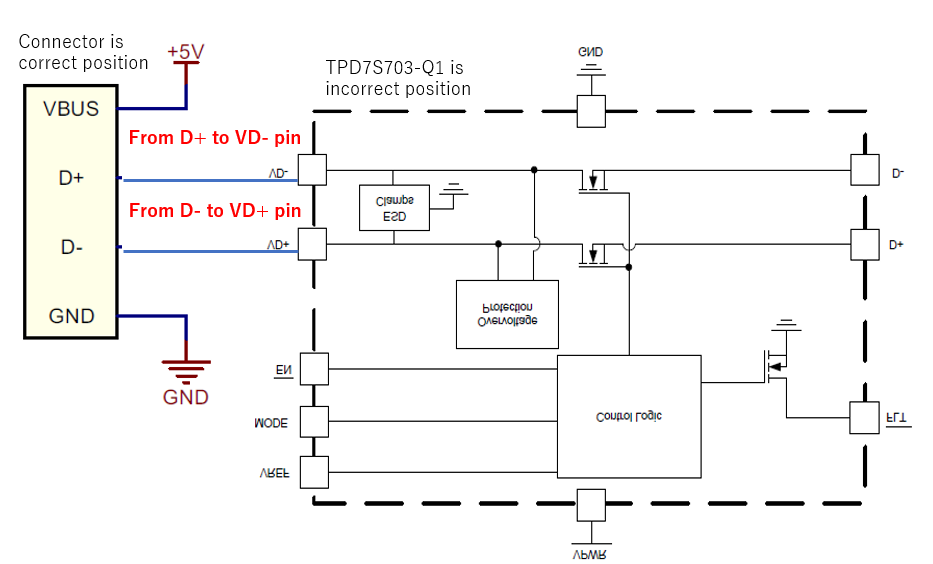
Part Number: TPD2S703-Q1
Hi Team,
We would like to know swap D+ for D-.
Because, it is the circumstances of the layout.
(Please refer to the following image.)
Does this circuit have problem?
If yes, could you please let us know that problem?
Regards,
Kanemaru

