Other Parts Discussed in Thread: TPD12S521
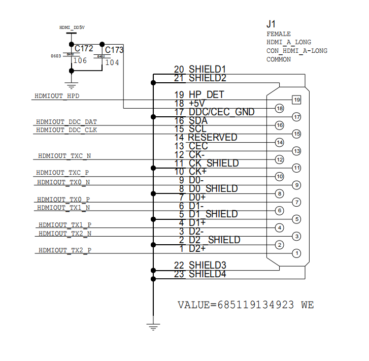
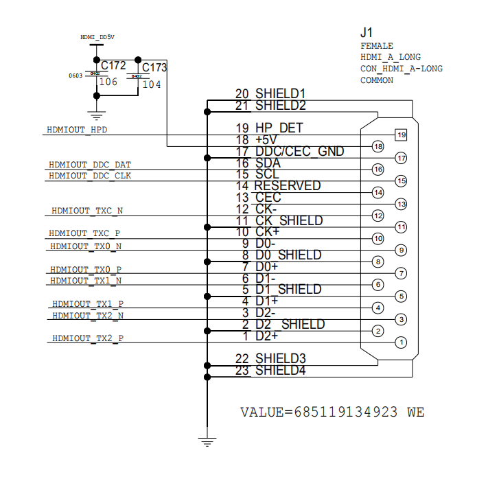
Hello. I am using TFP410+TPD12S521 with HDMI socket .
1080P@60hz has a display on some monitors, but it is not useful on many HDMI monitors.
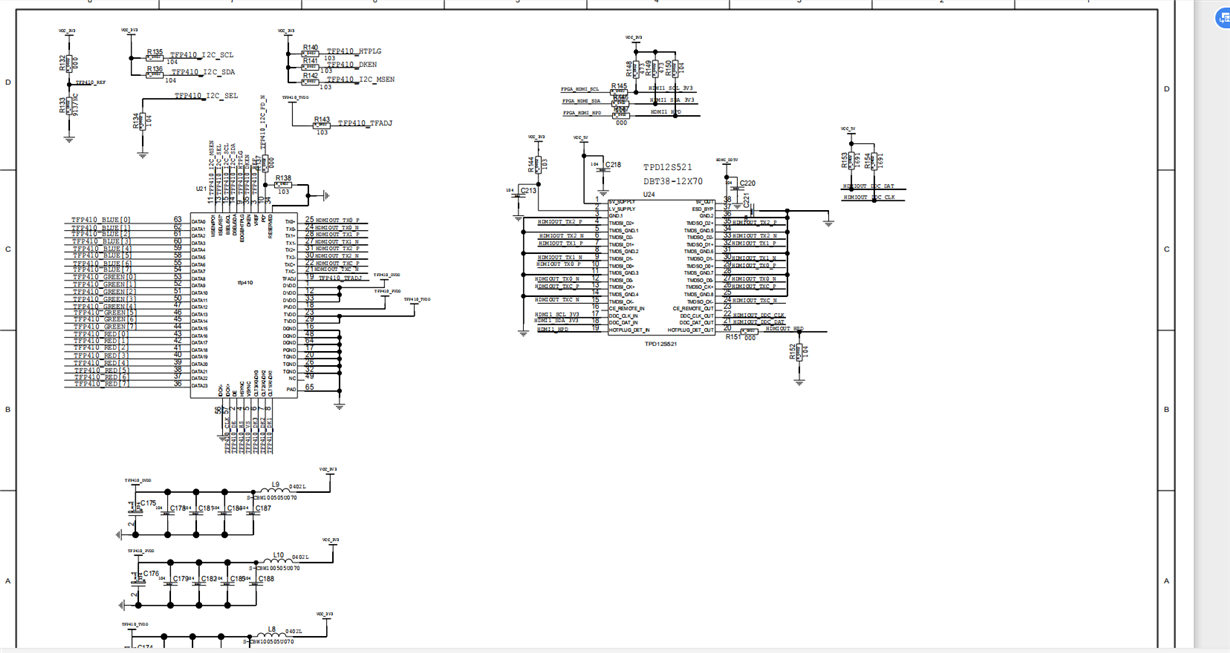
I don't know how to make changes? Is the edid problem? I hope to use the hardware configuration directly without I2C. The schematic is as follows. Hardware configuration circuit is as follows.
ISEL/RST# 0
BSEL/SCL 1
DSEL/SDA 0
EDGE/HPTLG 1
DKEN 0