This thread has been locked.

If you have a related question, please click the "Ask a related question" button in the top right corner. The newly created question will be automatically linked to this question.

DS90UB953-Q1: DS90ub953 high temperature problem

Part Number: DS90UB953-Q1

Hi TI team

    1. If the product runs at high temperature (85 ° c) for a long time, the picture will get stuck:

--Test conditions: high temperature box 85° (only the camera is placed in the high temperature box);

--Phenomenon: image jammed:

--Product surrounding signal test:

A. the MIPI signal from ISP to 953 is normal;

B. 953 the power supply of each module is normal;

C. No signal output of 960 MIPI;

D. The control box cannot read the ub953 register through ub960;

2,Problem: Please help to analyze what factors lead to the problem in high temperature;Where else do we need to improve?

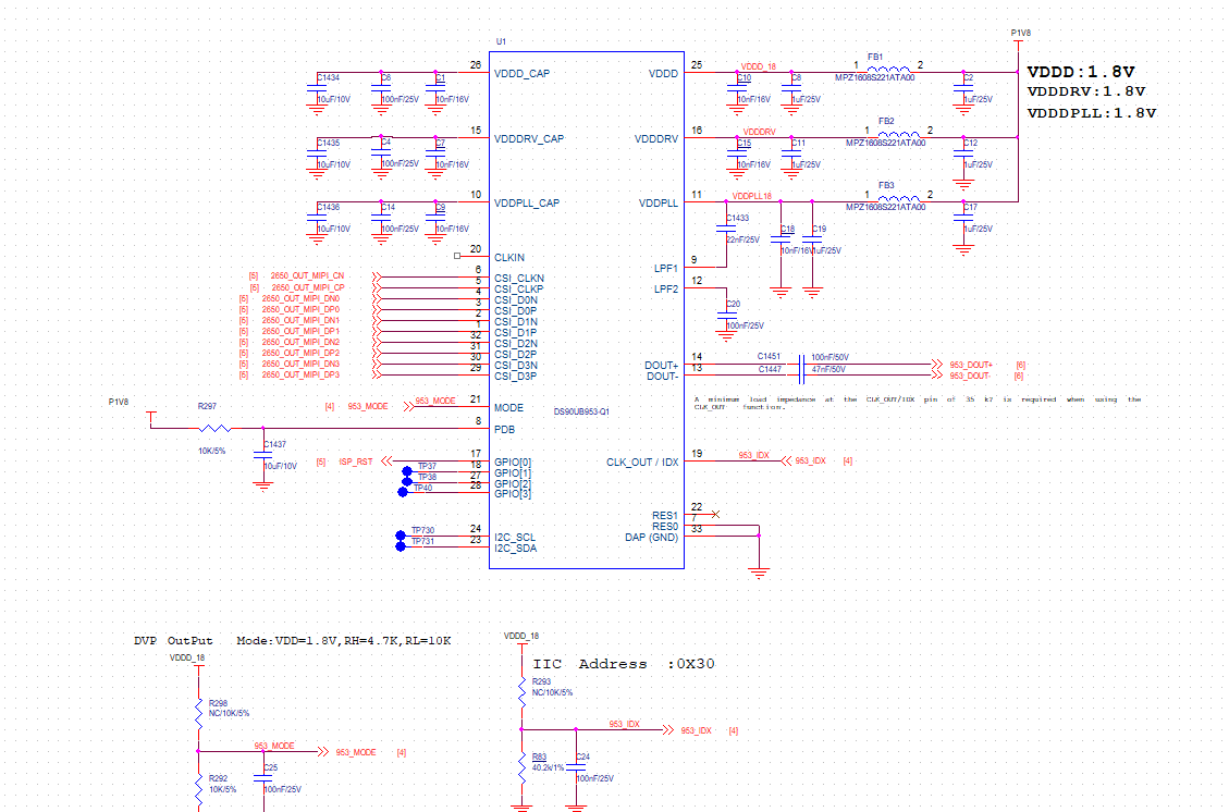
3,The product frame diagram and schematic diagram are as below

  • JImmy,

    pls check if the UB953 has signal output or not, and what is the rate if have? If UB953 has high speed signal output, UB960 should talk with UB953 successfully. If UB953 has no signal output, pls check the UB953's power supply, any supply plot here? if possible, please read UB953's register directly through connecting UB93's SCL/SDA pins.

    best regards,

    Steven