Hi Team,
I received the following request from a customer I'm following.
##########################################################################################
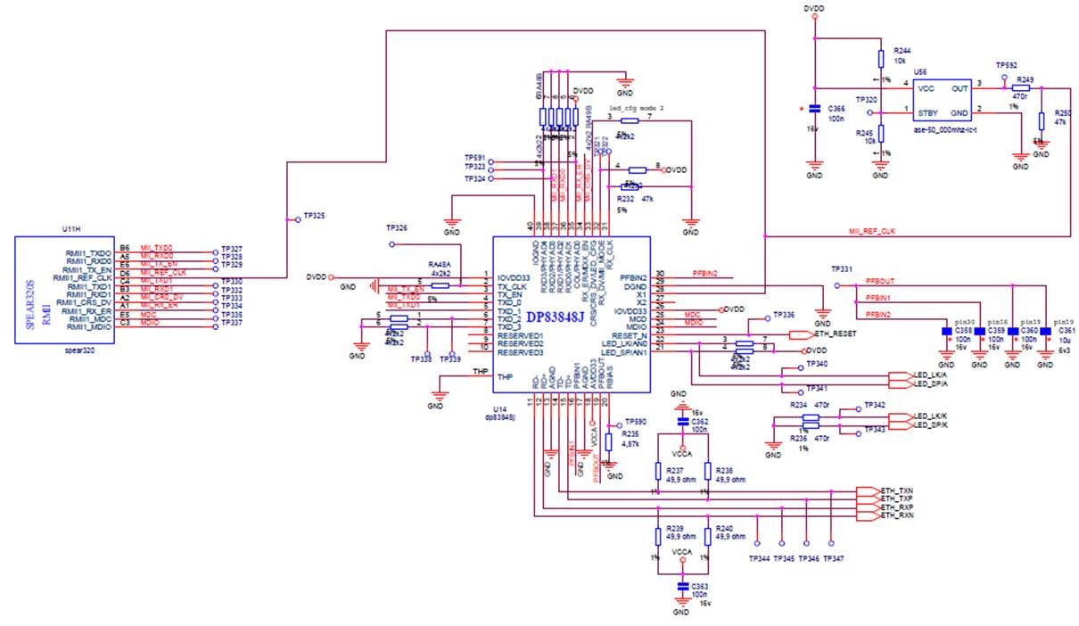
- Do you see any critical points regarding the quartz used and the R249 and R250 adaptation network used?
- The quartz used is ase-50_000mhz-lc-t
Below you can find schematic and layout:
On layout side this track and all the tracks of the RMII interface of the SPEAS320S have not been adapted in impedance on the layout side as indicated on the datasheet of the physical ethernet and from the spear320 datasheet
MII signals, the IEEE specification states the bus should be 68-Ω impedance.
To reduce digital signal energy, 50-Ω series termination resistors are recommended for all MII output signals (including RXCLK, TXCLK, and RX Data signals.)
Thanks in advance!


