Hi Team,
My customer use 949+948. And found that INTB signal can't pull up even have clear ISR....
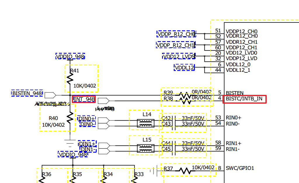
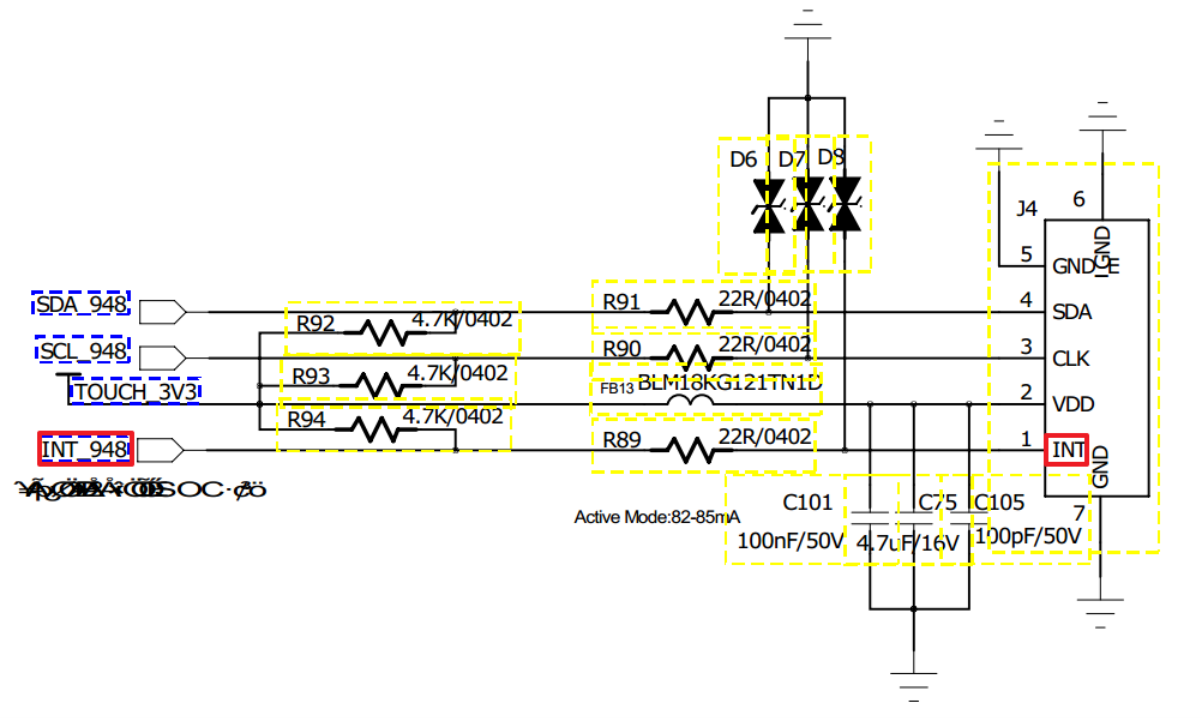
The phenomenon is that the serializer 949 is connected to the INTB pins of 948, 948 and 949 to pull up 3.3v. The INTB pin of 948 is pulled low to trigger an interrupt. After transparent transmission to 949, the INTB pin of 949 is pulled low.
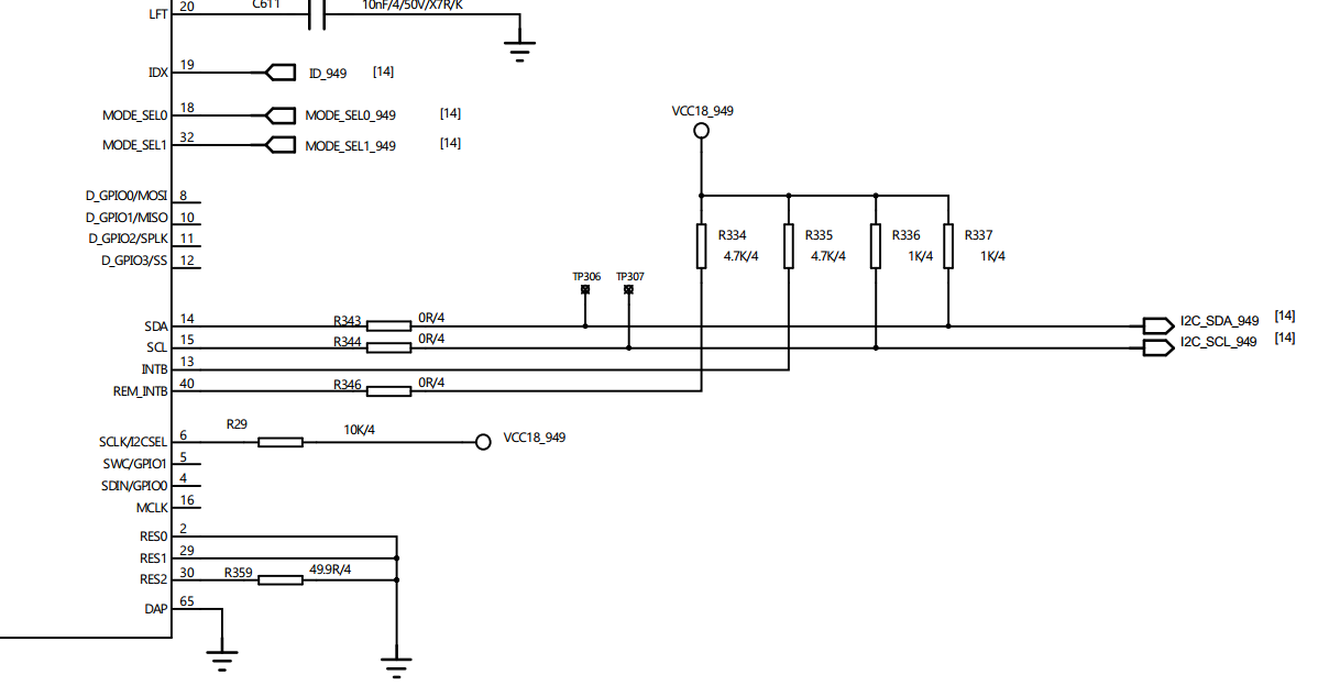
The interrupt signal is sent to the Rcar H3N interrupt port. The system executes the interrupt service function. The interrupt service function reads the 0xc7 ISR register of 949 to clear the interrupt.
After reading the ISR register, the INTB pin of 949 is pulled high. After exiting the interrupt service function, In the case where the INTB pin of 948 is 3.3V and the INTB pin of 948 is not pulled low again, 949 pulls the INTB pin low again to re-trigger the interrupt to the interrupt port of Rcar H3N, which causes the interrupt service function to be repeatedly entered indefinitely. .
Register operations on 949 and TI948 only operate the 0xc6, 0x03, 0x17 registers of 949, which are used to enable interrupt and i2c transparent transmission functions. 948 operates the 0x03,0x05 registers to enable interrupt and i2c transparent transmission functions.
Please help analyze the problem and give suggestions.
Many thanks!




