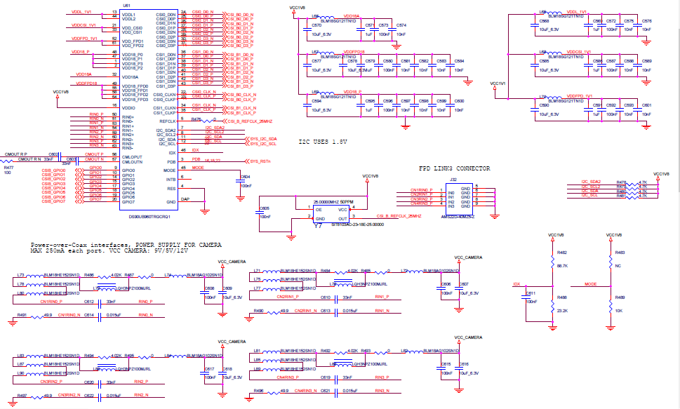
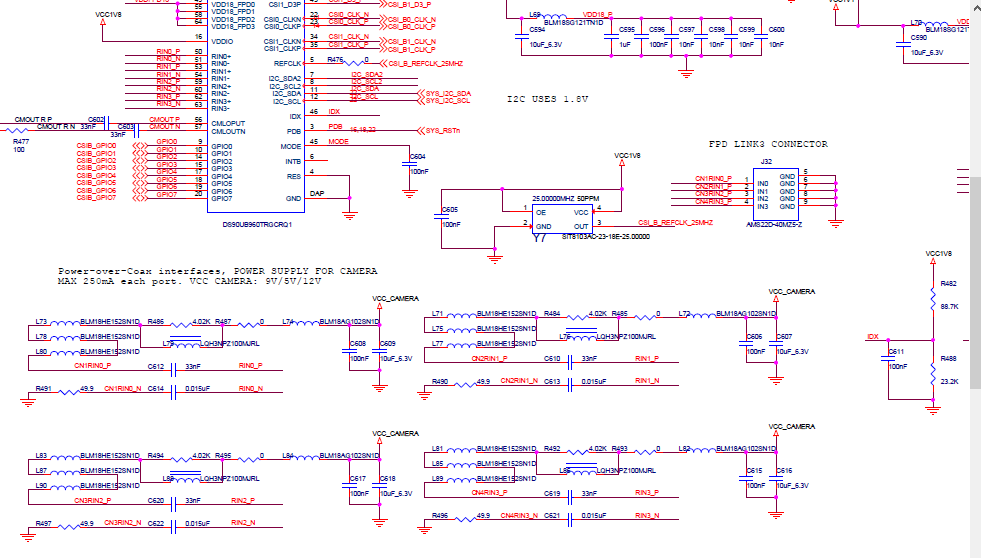
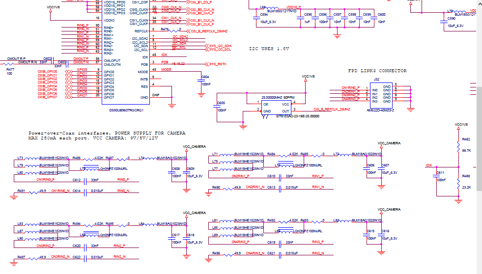
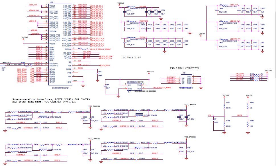
dear sir
l use ti FPDLINK DS90UB960/913, but I have no time to amend the schematic again, can you help to check the schematic for me with thanks ?
This thread has been locked.
If you have a related question, please click the "Ask a related question" button in the top right corner. The newly created question will be automatically linked to this question.
dear sir
l use ti FPDLINK DS90UB960/913, but I have no time to amend the schematic again, can you help to check the schematic for me with thanks ?
Du,
Basically the sch. design looks similar as our recommended design in d/s or in EVM board. but from the picture, it is blurring, we can't check it clearly. please ask your customer to double confirm if this design is referred to TI's d/s recommendation, if you have more questions, please let's know.
best regards,
StEVEN