This thread has been locked.

If you have a related question, please click the "Ask a related question" button in the top right corner. The newly created question will be automatically linked to this question.

DS90UB948-Q1: Can I change the

Part Number: DS90UB948-Q1

Dear team,

1. DS90UB948's output clock has a Vcm. Can I control when the Vcm appear? Due to the special screen timing requirement, GPIO signal should appear earlier than Vcm voltage. Can I achieve this sequence?

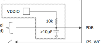
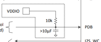
2. If the PDB is driven by the VDD33, and the capacitor is equal to 10uF instead of >10uF, is there any risk?

Thanks & Best Regards,

Sherry

  • Hello Sherry,

    All inputs must be applied to the device after PDB has arrived as per the datasheet power up recommendations in section 9.1 of the datasheet. Please obey these recommendations strictly along with the power supply sequence including PDB. Usually 10k/10uF is sufficient to delay PDB until after the supply rails have ramped and settled. 

    Best Regards,

    Casey