Team,
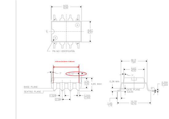
One of my costumers pointed out a possible typo on the DUB package. The 0,127 values encircled in red seems to be the typo.
In our opinion it should be 0,7125. This comes from the analogy of taking the total length of the package compared to the outer widths from pin1 to 4.
Could you feedback on this subject?

Best regards,
Frank