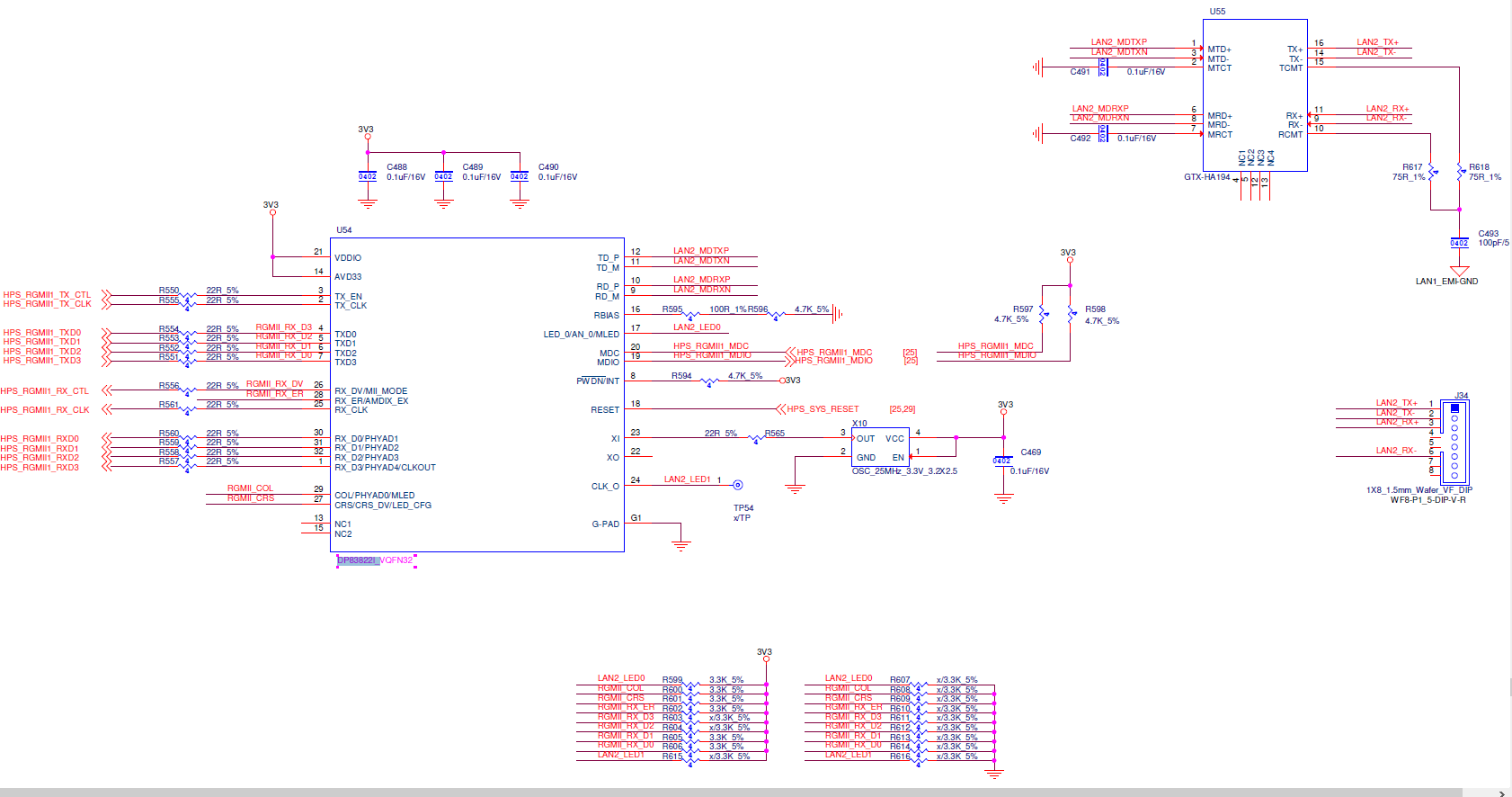
Part Number: DP83822I
We use DP83822I + cycloneV to implement the RGMII interface to implement the network cannot work
, our system link fails, and the LED connection light of Switch is not on.
How do I adjust the system to make the network work?
This thread has been locked.
If you have a related question, please click the "Ask a related question" button in the top right corner. The newly created question will be automatically linked to this question.
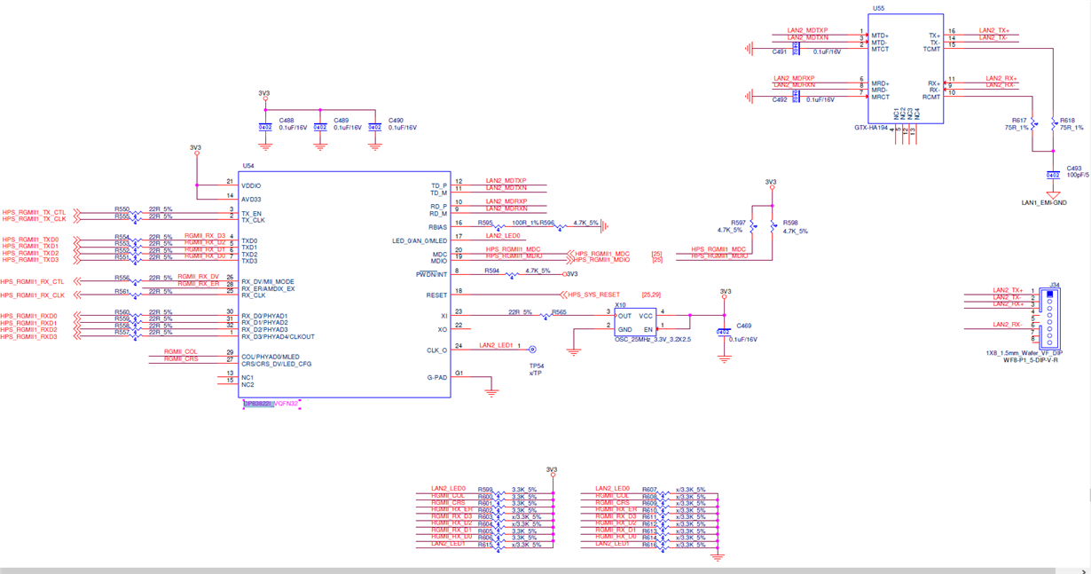
Part Number: DP83822I
We use DP83822I + cycloneV to implement the RGMII interface to implement the network cannot work
, our system link fails, and the LED connection light of Switch is not on.
How do I adjust the system to make the network work?
Hello,
I am seeing issues with the schematic. Please evaluate your schematic using our checklist found here: https://sps16.itg.ti.com/sites/HSDCOVERVIEW/Ethernet/_layouts/15/start.aspx#/Training/Forms/AllItems.aspx?RootFolder=%2Fsites%2FHSDCOVERVIEW%2FEthernet%2FTraining%2FSchematics%5FChecklist&FolderCTID=0x0120003F5A75C9CA8AD249B3681FC357CE5756&View=%7B78BF9785%2D642D%2D477F%2DB07F%2D087EB6E61EDA%7D
From a first look, I see that RBIAS isn't the correct value at a 1 % tolerance, the strap resistor values are incorrect, there should be no pull-up on MDC, and the pull up for MDIO is recommended to be 2.2k. If you use incorrect strap resistor values, you may be strapping the device to an unknown state. Please review section 8.5 in the datasheet for proper device strapping.
Please update your schematic let me know if there are still link up issues.
Thank you,
Nikhil
Hello Nikhil,
I cannot browse,
sps16.itg.ti.com/.../start.aspx 2FSchematics% 5FChecklist & FolderCTID = 0x0120003F5A75C9CA8AD249B3681FC357C
Please help me confirm.
I will modify
1. MDC-Remove pull-up resistor
2. MDIO-changed to 2.2k
3. RBIAS 1 % tolerance
Thank you
Hello,
I have attached the checklist here. Please let me know if you have any concerns. 8357.DP83822_ Schm_Checklist_StrapTool.xlsx
Thank you,
Nikhil
Hello,
Have you had time to review the checklist? Are you still seeing issues?
Thank you,
Nikhil
Hello,
I will be closing this thread. If you are still seeing issues, please open a new thread.
Thank you,
Nikhil