Hi Team,
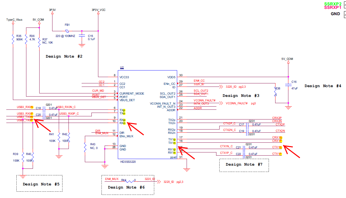
May I know the reason why HD3SS3220 DFP Dongle EVM schematic TX negative connect to the positive side?
Thanks and best regards,
Jamie
This thread has been locked.
If you have a related question, please click the "Ask a related question" button in the top right corner. The newly created question will be automatically linked to this question.
Hi Team,
May I know the reason why HD3SS3220 DFP Dongle EVM schematic TX negative connect to the positive side?
Thanks and best regards,
Jamie
Jamie
USB supports lane polarity inversion as covered in section 6.4.2 of the USB 3.1 specification. So you can invert the lane polarity to ease the routing of the SuperSpeed signal.
Thanks
David