Part Number: TUSB9261
Hi,
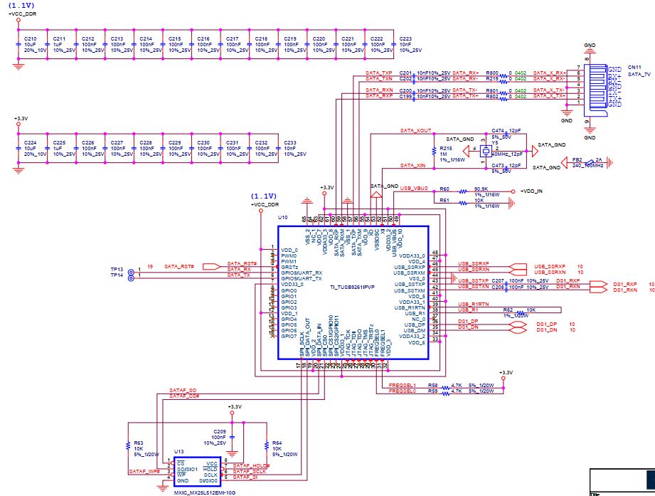
Could you help me review TUSB9261 schematic? Thanks!
This thread has been locked.
If you have a related question, please click the "Ask a related question" button in the top right corner. The newly created question will be automatically linked to this question.
Hi Jimmy,
Could you give more description on the use case for this schematic? From the schematic it seems that the USB may be connected as a downstream port, TUSB9261 USB port is only meant to be a upstream port. In other words TUSB9261 only work as USB to SATA not SATA to USB.
Notes on the schematic: