Hi
We had connected DS90UB949EVM with DS90UB940EVM
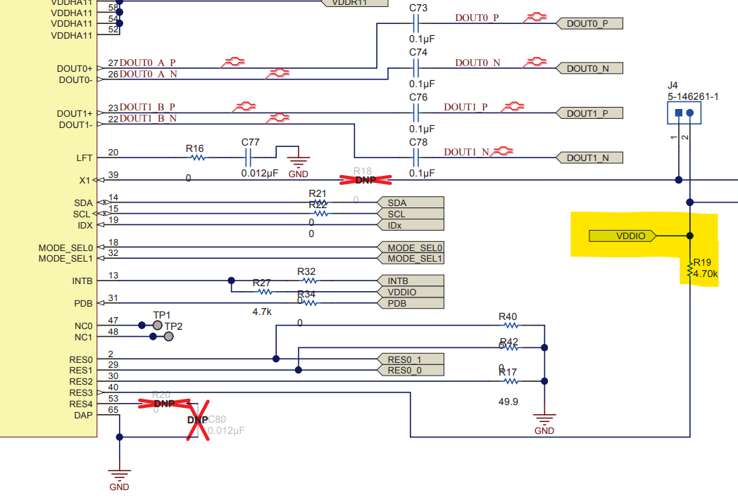
and below are the status screen shot and the register setting we done. HDMI source now is connected to DS90UB949 EVM, We use scope to monitor the INTB pin, but not see it goes down to issue an interrupt.
Anything miss in our setting ? thanks!


