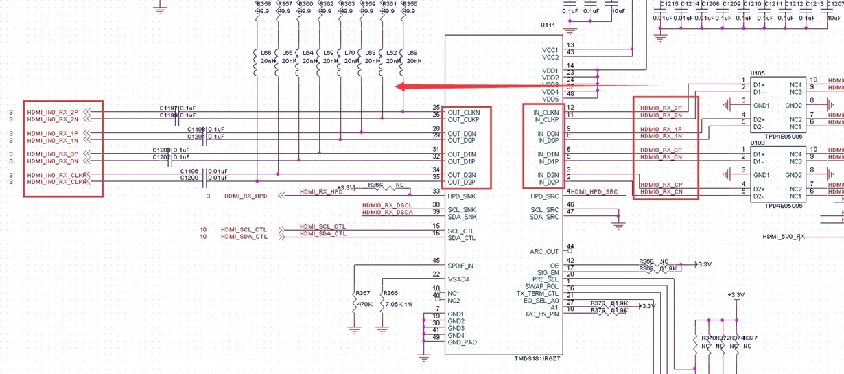
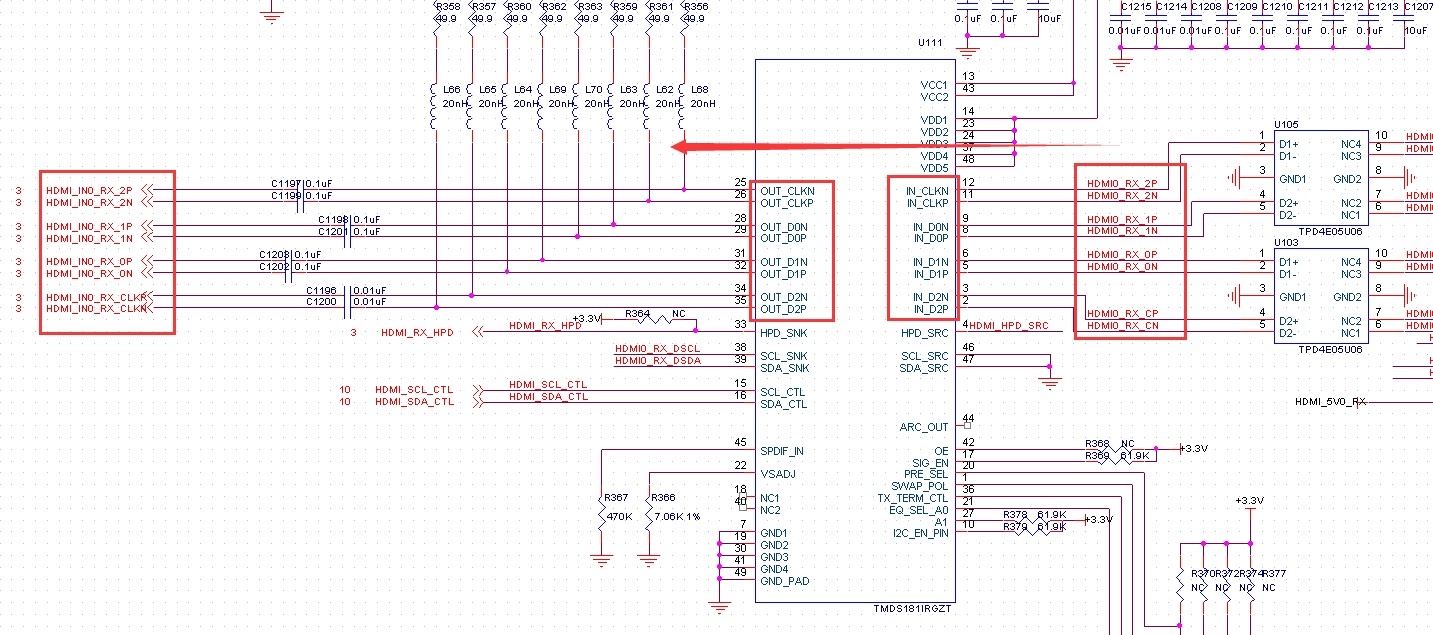
Hi Ti
The HDMI interface chip TMDS181IRGZT was used in our project, but the PCB on the HDMI interface was disconnected during the design.As shown in the figure, we have swapped the data and the clock,
For example, in the IN_CLK channel we took DATa2 from HDMI, and P and N were reversed.Is this working normally?
 
				 
		 
					 
                          
