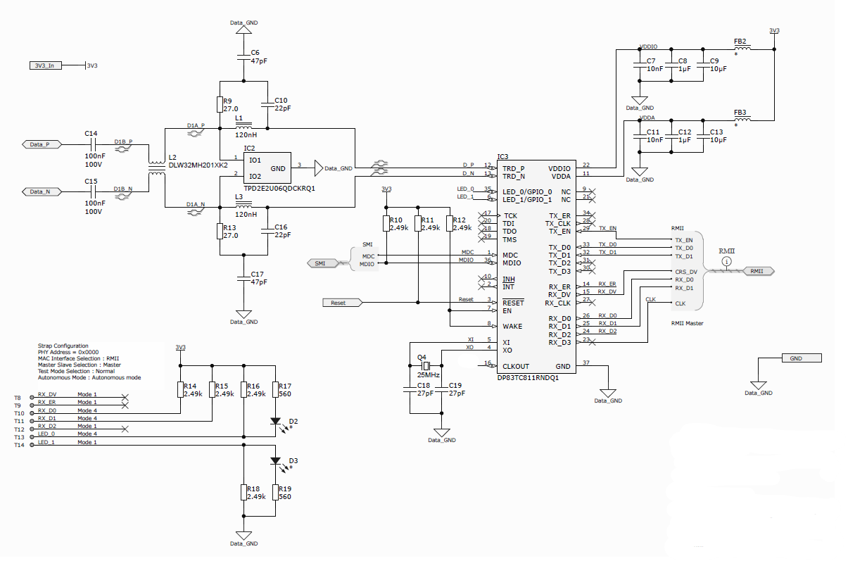
Part Number: DP83TC811R-Q1
Dear Support-Members,
I have two boards with a DP83TC811R-Q1 Ethernet-Phy. One phy is configured as master the other as slave. Both phys are in autonoumous mode. When I connect these boards together, the slave gets a link but the master do not. When I connect the boards to a T1-Switch, both boards get a link.
How can I get a link to the master, when both boards are connected directly together without using a switch?
Thank you for your help
