Dear sir:
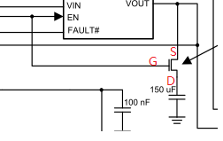
We're confusion about the BULK CAPcircuit in the datasheet reference design of TUSB320, what's kind MOS used here, NMOS or PMOS?
For NMOS, when EN pull high, Vbus will charge the bulk cap, but when the CAP fully charged, the voltage on MOS_S will be high, Vgs<Von, the Vds stops and then discharge...Vgs>Von, Vds open...finally, the voltage on CAP keeps ~2.1V ; For PMOS, EN and Vbus pull high, Vds stops
In our application, we put a NMOS here, the voltage on VBUS keeps ~2.1V and detect Devices fail on most boards, it's really bad for us in this stage.
I think the MOS and the bulk cap should change the position here, please help to check about this issue, thanks
Sercomm RD Sally Feng

