Part Number: TVS3300
Other Parts Discussed in Thread: TVS3301, TVS1400, TVS0500
Hello,
I would like you to confirm about EMC test condition for this device.
* According to datasheet, there is following description.
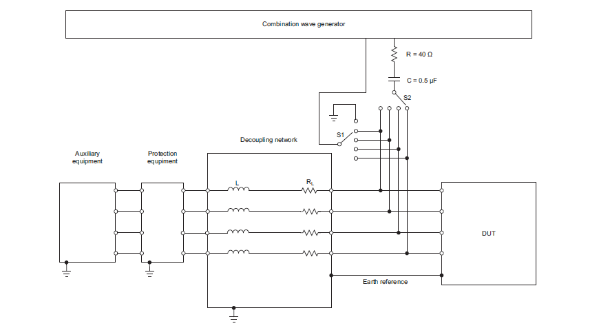
"TVS3300 has been tested according to IEC 61000-4-5 to pass a ±1 kV surge test through a 42-Ω coupling resistor and a 0.5 μF capacitor."
I believe that this means that TI use following test environment which is defined in following document.
Reference Doc : https://www.ti.com/lit/an/slva711/slva711.pdf
However, my customer will use following test environment for EMC test.
* Figure 9. Example of test setup for capacitive coupling on a.c. lines (3 phases); line to line coupling. (For Differential mode)
* Figure 10. Example of test setup for capacitive coupling on a.c. lines (3 phases); line to ground coupling (For common mode)
Customer will use this test for Power line. Then I have following questions.
Q1. Is there any problem to use Figure 9 and Figure 10 test condition for this device ?
We are concerned that peak current is different. According to datasheet, 35A is defined as "Absolute Max". However, I'm not sure this can be applied to all test condition or not.
Q2. Can this device use for protection on not only I/O line but also power line ?
(According to datasheet of TVS3300, there is "24 V Power Lines or Digital Switching Lines" description on page 1. However, there is no same description on datasheet of TVS3301.)
Q3. If this device is not suitable for this usecase, could you please introduce other device ?
Customer will use 10V - 30V power, so they target to clamp approx 40V.
Best Regards,

